EasyManua.ls Logo

ABB FSO-21 - Page 292

ABB FSO-21
540 pages
Print Icon
To Next Page IconTo Next Page
To Next Page IconTo Next Page
To Previous Page IconTo Previous Page
To Previous Page IconTo Previous Page
Loading...
292 Planning for installation
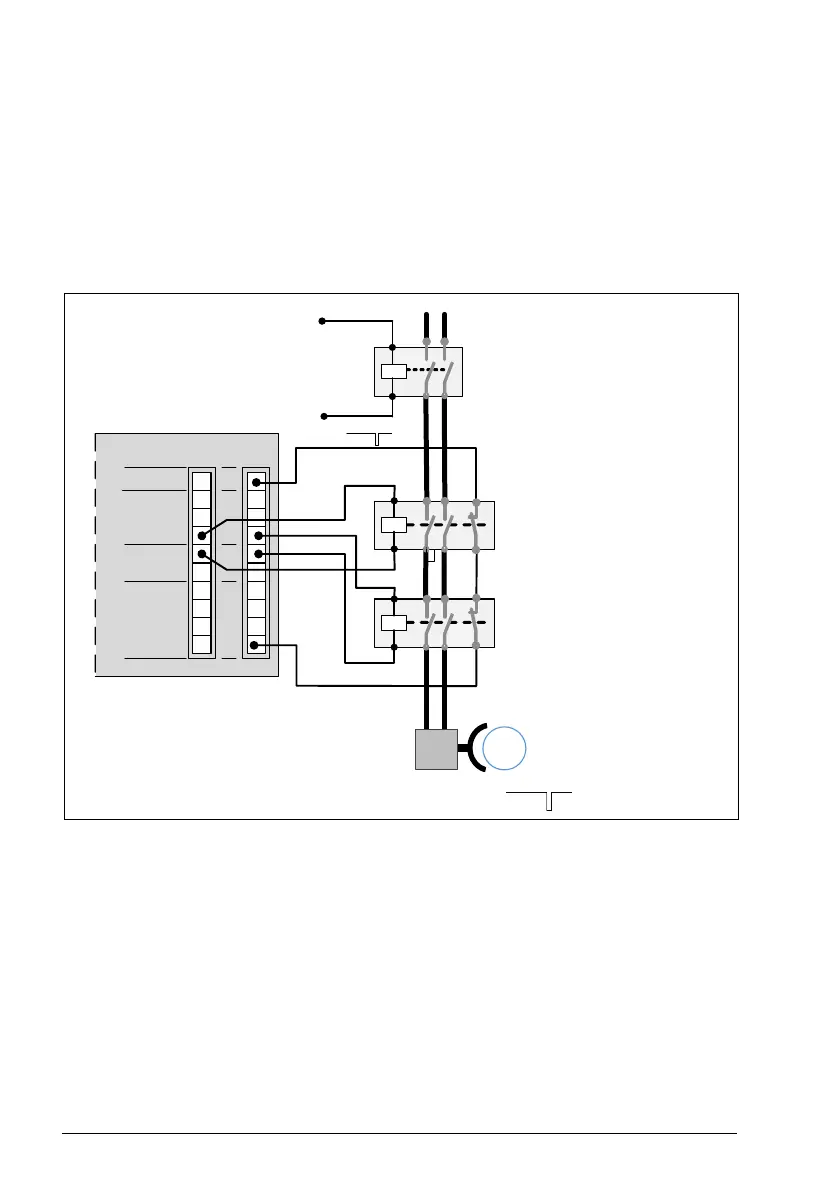
Safe brake control (SBC)
In this figure normal and safe brake controls are connected in series. Both are
independent and redundant 2-channel solutions.
The safe brake control needs a feedback from the brake system. The SBC feedback
can be from a relay/contactor or from the mechanical brake itself.
Note: If also the drive can control the brake, the feedback must not be from the
mechanical brake.
1
10
9
8
7
6
5
4
3
2
X114
TP
DO
GND
DI
X113
M
Diagnostic pulses
DO
GND

Table of Contents

Related product manuals