EasyManua.ls Logo

ABB FSO-21 - Page 293

ABB FSO-21
540 pages
Print Icon
To Next Page IconTo Next Page
To Next Page IconTo Next Page
To Previous Page IconTo Previous Page
To Previous Page IconTo Previous Page
Loading...
Planning for installation 293
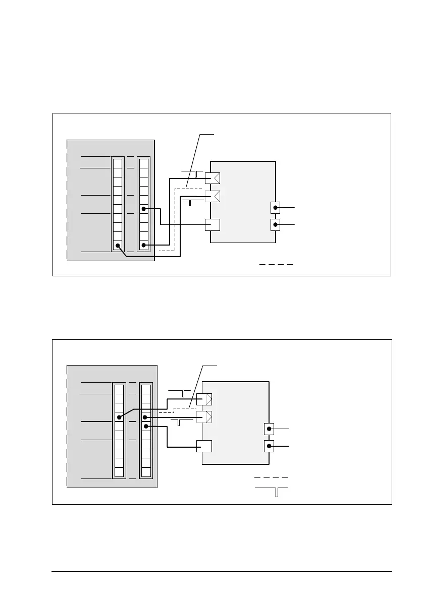
Active sensors / input signals from solid state devices
Examples:
PLC 24 V DC PNP
Light curtain OSSD
Outputs to solid state devices
Example:
PLC 24 V DC NPN
1
10
9
8
7
6
5
4
3
2
X114
TP
DO
GND
DI
X113
CH 2
CH 1
COM /
GND
+
GND
Physical separation of the different channels
or appropriate cable protection (eg. double-
shielding)
Channel separation
24 V DC
PNP
outputs
Diagnostic pulses from an
active sensor must not be
overlapping.
1
10
9
8
7
6
5
4
3
2
X114
TP
DO
GND
DI
X113
CH 1
CH 2
COM /
GND
+
GND
Physical separation of the different channels
or appropriate cable protection (eg. double-
shielding)
24 V DC
NPN
inputs
Channel separation
Diagnostic pulses

Table of Contents

Related product manuals