EasyManua.ls Logo

ABB NGC8206 - Instructions; Figure 3-55 ENC82 L Electric Heater Installed in Enclosure; Figure 3-56 ENC82 S Electric Heater Installed in Enclosure

ABB NGC8206
239 pages
Print Icon
To Next Page IconTo Next Page
To Next Page IconTo Next Page
To Previous Page IconTo Previous Page
To Previous Page IconTo Previous Page
Loading...
2
101510 Rev. AG Page 3–
53
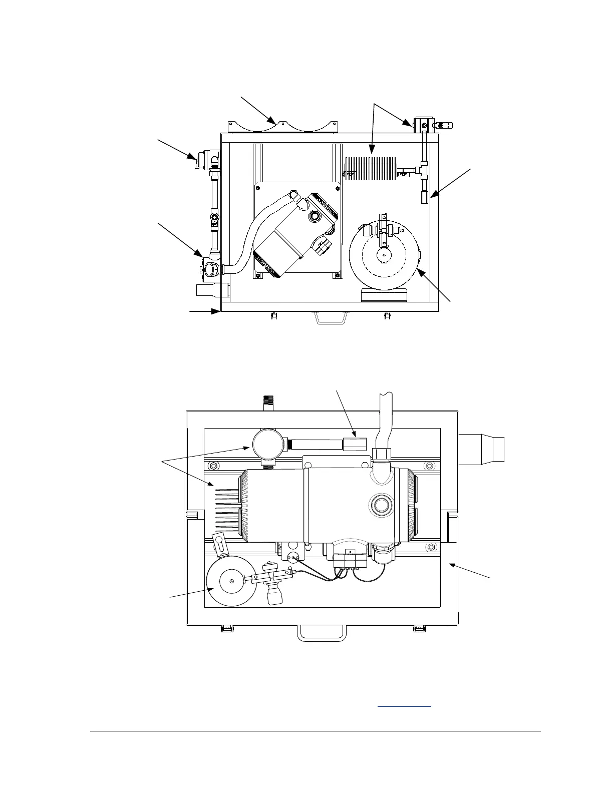
Figure 3-55 ENC82L Electric Heater Installed in Enclosure
Figure 3-56 ENC82S Electric Heater Installed in Enclosure
3.27.2 Instructions
1) Using the wiring instructions shown in Figure 3-57
and manufacturer's
instructions enclosed with heater, make external connections.
BOTTLE RACK OPTION
POWER SWITCH
PWR/COMM
OUTLET BOX
THERMOSTAT
INSULATED
ENCLOSURE WALL
CALIBRATION
BLEND
ELECTRIC HEATER OPTION
CALIBRATION BLEND
BOTTLE
CYLINDER: M009
FITTINGS: CGA180
HEATER KIT:
VARITHERM 120
VAC, 400 WATT
THERMOSTAT
INSULATED
ENCLOSURE
WALL

Table of Contents

Related product manuals