EasyManua.ls Logo

ACO CDNP7ACC - Wiring Diagrams: Multiple Audio System Units

Default Icon
49 pages
Print Icon
To Next Page IconTo Next Page
To Next Page IconTo Next Page
To Previous Page IconTo Previous Page
To Previous Page IconTo Previous Page
Loading...
26
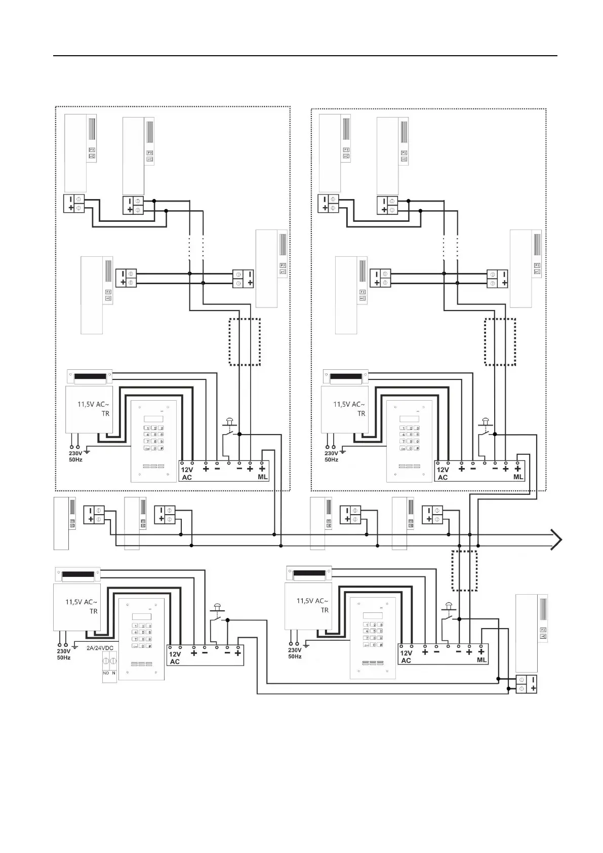
WIRING DIAGRAMS FOR INSTALLATIONS WITH MULTIPLE DOOR ENTRY
UNITS
Diagrams No. 1 - Audio system:
Klatka / budynek X Staircase / building X
Line
Line
Line
Line
Klatka / budynek Y Staircase / building Y
Line
Line
Line
Line
Opcjonalnie kolejne panele Slave
Optionally, more Slave panels
max 1 A
Panel Slave
Np. Wejście 1 do Budynku
e. g. Building entrance 1
ELOCK
INPUT
LINE
Kolejne unifony lub panele Slave
(kolejne Budynki lub klatki)
Next receivers or slave panels (next
Buildings or staircases)
Line
Line
Kolejne panele Slave połączona jak
niżej np. Inne wejścia zewnętrzne
Next Slave Panels connected as below
e.g. external entrances
ELOCK
INPUT
LINE
Line
max 1 A
Panel Slave
Np. Brama główna 2 do
Budynku e. g. Main gate 2
ELOCK
INPUT
LINE
OUTPUT
Master
Np. Brama główna
e.g. Main gate
Ex-2
OUT-2
max 1 A
Line
Line
Panel Slave
Np. Wejście 1 do
Budynku e. g. Building
entrance 1
max 1 A
ELOCK
INPUT
LINE
Opcjonalnie kolejne panele Slave
Optionally, more Slave panels

Table of Contents

Other manuals for ACO CDNP7ACC

Related product manuals