EasyManua.ls Logo

Allen-Bradley 1394 - Page 76

Allen-Bradley 1394
301 pages
To Next Page IconTo Next Page
To Next Page IconTo Next Page
To Previous Page IconTo Previous Page
To Previous Page IconTo Previous Page
Loading...
Publication 1394-5.0 May 2000
3-30 Wiring System, Axis, and Shunt Modules, and Motors (for all systems)
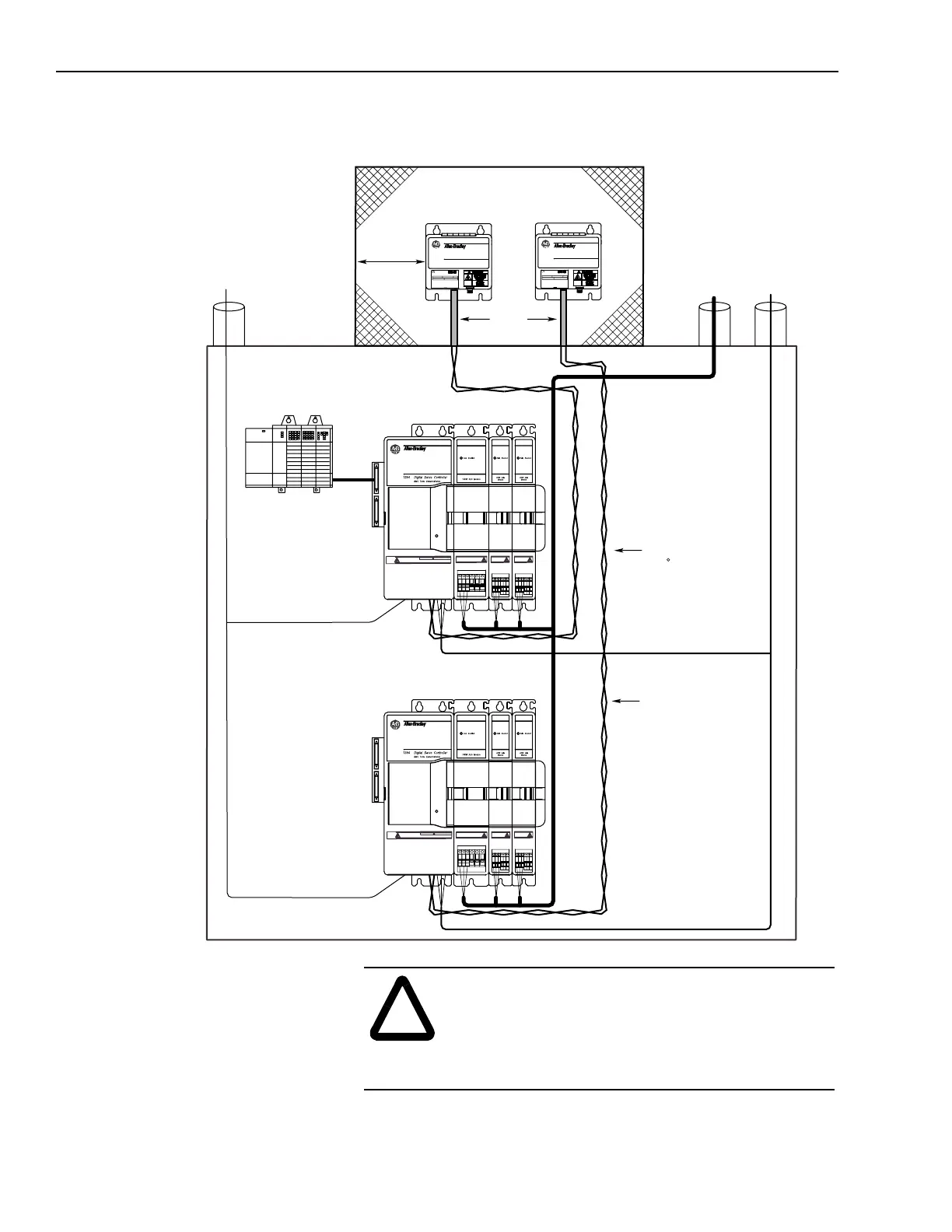
Figure 3.18
Routing Shunt Module Wiring When the Module is Outside the Cabinet
!
ATTENTION: The resistors inside the 1394 shunt
module can reach temperatures in excess of 350° C
(662° F). Be sure to provide appropriate guarding to
avoid hazard of shock or burn and ignition of flammable
material. Install per local codes.
Status
Status
Low voltage
Communications
Control I/O wiring
Motor feedback cables
360/480V
AC power
Always separate all low voltage signal
wiring from high voltage power wiring to
reduce affects of EMI and RFI.
Motor power
cables
Customer-supplied
metal enclosure (optional)
Metal
conduit
155 mm (6.1 in.) of
clearance on all sides
of the shunt module
minimum
Twisted conductors
(2 twists per foot) min. or
a shielded twisted pair
1394 Digital Servo Controller
300W Shunt Module
BULLETIN 1394 300W SHUNT MODULE
ALLEN-BRADLEY
FOR USE WITH 1394-SJT22-X SYSTEM MODULE
CAT. PART SER.
INPUT DC INPUT AC
FOR FUSE REPLACEMENT USE:
BUSSMAN CAT. NO.
R
1394 Digital Servo Controller
300W Shunt Module
BULLETIN 1394 300W SHUNT MODULE
ALLEN-BRADLEY
FOR USE WITH 1394-SJT22-X SYSTEM MODULE
CAT. PART SER.
INPUT DC INPUT AC
FOR FUSE REPLACEMENT USE:
BUSSMAN CAT. NO.
R
8 AWG (8.4 mm
2
),
105 C, 600V wire
Max. Length 3.05 m
(10 ft) for each wire
Shielding is recommended
for reducing the effects
of EMI and RFI.
DANGER
RISK OF ELECTRICAL SHOCK. HIGH VOLTAGE MAY
EXIST UP TO FIVE MINUTES AFTER REMOVING POWER.
DANGER
RISK OF ELECTRICAL SHOCK. HIGH VOLTAGE MAY
EXIST UP TO FIVE MINUTES AFTER REMOVING POWER.

Table of Contents

Related product manuals