EasyManua.ls Logo

AMF-BRUNS K90 ACTIVE - Electrical Circuit Diagram K70

Default Icon
100 pages
Print Icon
To Next Page IconTo Next Page
To Next Page IconTo Next Page
To Previous Page IconTo Previous Page
To Previous Page IconTo Previous Page
Loading...
Electrical Circuit Diagrams
Page 88 of 100 Back-in-Box-Lift K70 / K90 / K90 ACTIVE
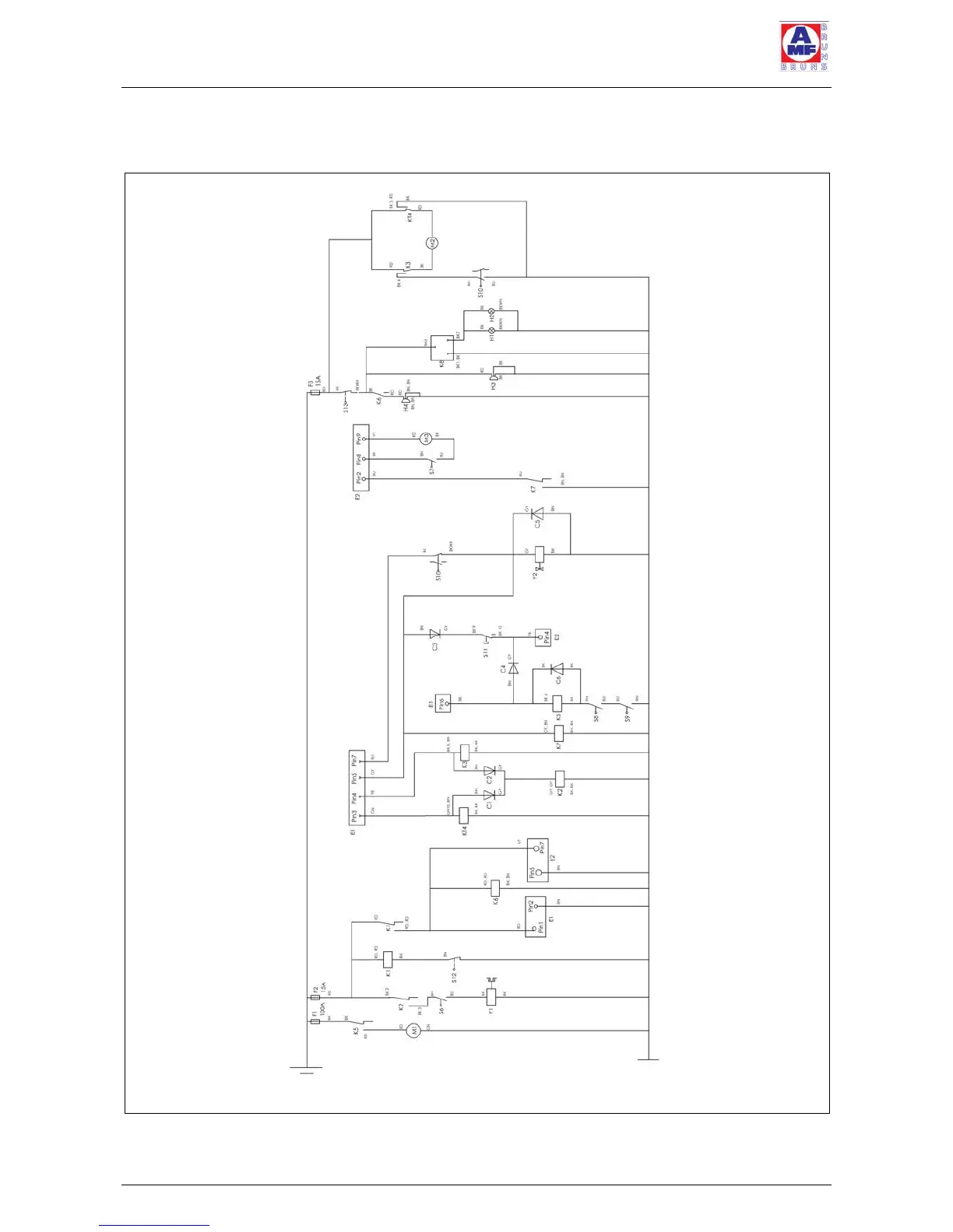
11.3 Electrical Circuit Diagram K70
Figure 55: Electrical Circuit Diagram K70
Starter battery 12V
Control, manual push-button
Linear motor control
Lowering
valve
Earth

Table of Contents