EasyManua.ls Logo

AMF S-311 - 6. OPERATOR SAFETY AND MAINTENANCE INSTRUCTIONS

AMF S-311
142 pages
Print Icon
To Next Page IconTo Next Page
To Next Page IconTo Next Page
To Previous Page IconTo Previous Page
To Previous Page IconTo Previous Page
Loading...
S-311
1-7
A - INTRODUCTION
Released:01/2014
E-mail: service@amfreece.cz; webside: amfreece.com
Phone: +420 582 309 146; Fax: +420 582 360 606
6. INSTRUCTIONS FOR OPERATOR SAFETY AND MAINTENANCE OF THE MACHINE S-311
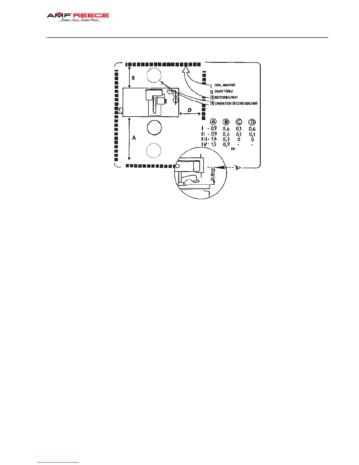
When installing the machine the manufacturer recommends the minimum clearance mentioned above around the
machine. Read all of the instructions that follow. DO NOT PUT THE MACHINE INTO OPERATION UNTIL YOU ARE
COMPLETELY FAMILIAR WITH ALL INSTALLATION AND OPERATING INSTRUCTIONS.
DANGER!
- Before connecting the machine to the power supply, be positive that all safety covers are correctly installed.
- Always engage the power lockout switch, and disconnect the main power supply, before removing any safety
covers.
- Never connect the machine to the power supply when any cover is removed.
- It is forbidden to disconnect all connectors when the machine is switched on and connected to the power supply.
The electrical components and motors can be damaged.
WARNING!
- Locate the Emergency Stop button. Be sure you know how to use it.
- Be sure that you have a reliable and uniform power supply.
- Be sure that all electrical cables are in good condition and have no signs of damage to avoid electrical shock.
- If any covers become damaged, they must be repaired or replaced immediately.
- Do not touch moving parts of the machine while it is operating.
- Keep clear of the needle.
- Always switch off the main power before changing the needle.
- Before cleaning the machine or performing service to the machine, engage the power lock out switch or disconnect
the main power supply.
- When the machine is not in use engage the power lock out switch or disconnect the main power supply.

Table of Contents

Related product manuals