EasyManua.ls Logo

ATI Technologies d12 series - Alarm Relays; Figure 51 Alarm Relay Schematic(Default - no Alarms Active)

ATI Technologies d12 series
92 pages
Print Icon
To Next Page IconTo Next Page
To Next Page IconTo Next Page
To Previous Page IconTo Previous Page
To Previous Page IconTo Previous Page
Loading...
ATI Series D12 Toxic Gas Transmitter with H10 Smart Sensor
Revision N (7/15) 56
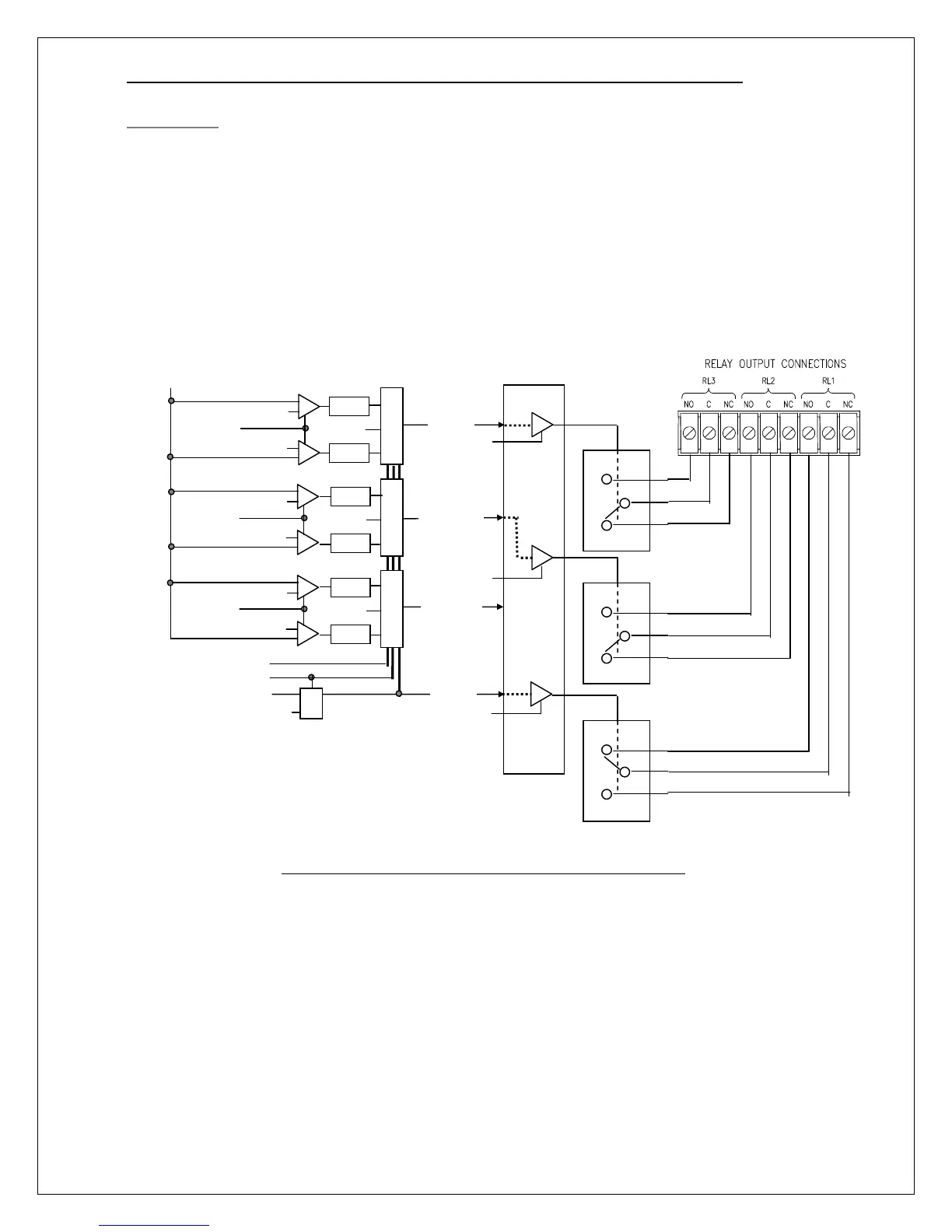
Alarm Relays
The D12 transmitter provides three optional SPDT mechanical relays rated for 5 amps, non-inductive
loads at 250VAC. These relays are suitable for switching small loads, such as horns and warning
lights, but should not be used to switch motors or other high current, inductive loads.
Each relay is assigned to one of the four alarms, and may be programmed as normally energized
(failsafe), or normally de-energized. A normally energized relay will have electrical continuity between
its C and NO contacts (while the transmitter is powered on), and will be open between its C and NC
contacts. Conversely, a normally de-energized relay will have continuity between its C and NC
contacts, and will be open between its C and NO contacts. Figure 51 illustrates the function of alarm
and relay variables on the operation of the relays.
Figure 51 Alarm relay schematic(default no alarms active)
Res_Point
A
ALARM
WARNING
CAUTION
Fault
Remote Reset
FAULT
Gas
Concentration
Relay Logic
(- - - user configurable)
Alarm
Logic
RL1 Failsafe
RL2 Failsafe
RL3 Failsafe
Tst
W
Tst
F
S
R
S
R
S
R
Rdly
W
Sdly
W
Tst
A
Rdly
A
Sdly
A
Tst
C
Rdly
C
Sdly
C
Inhibit
Active
A
Set_Point
A
Res_Point
W
Active
W
Set_Point
W
Res_Point
C
Active
C
Set_Point
C

Table of Contents

Related product manuals