EasyManua.ls Logo

AuCom EMX4i - 10.2 Smart Card - Level Controlled Pump Activation

AuCom EMX4i
126 pages
Print Icon
To Next Page IconTo Next Page
To Next Page IconTo Next Page
To Previous Page IconTo Previous Page
To Previous Page IconTo Previous Page
Loading...
APPLICATION EXAMPLES
110 EMX4i User Manual 710-14888-00C
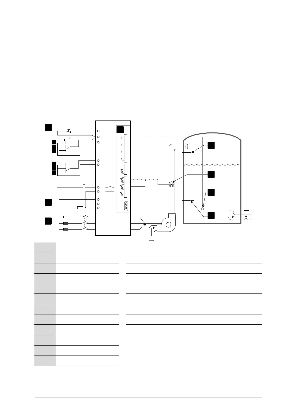
10.2 Smart Card - Level Controlled Pump Activation
The EMX4i smart card can be used to control start/stop activation of the starter,
based on information from external inputs.
In this example, the EMX4i controls a pump which fills a tank, with maximum and
minimum water levels. A pressure sensor is used to monitor the level of water in
the tank and trigger the pump to fill the tank when water drops below the minimum
level, and shut off the pump when the maximum water level is reached.
A three-way selector switch allows the user to override sensor-based control, and
manually start or stop the motor.
10
11
12
A3
A1
A2
1/L1
3/L2
5/L3
2/T1
4/T2
6/T3
13
14
34
33
K1
K1F1
DIGI
TAL INPUTS 4/20mA INPUTSR
TD
C24
C33
C34
C43
C13
C14
C23
C44
B14
B13
B23
B24
B33
B34
R2
R1
R3
1
A
B
C
A
B
C
2
3
4
17885.B
7
8
5
6
1
Digital inputs K1 Main contactor
A
Manual start 10, 11 Reset input
B
Manual stop
11, 12
Start/stop input
C
Automatic operation
(level-controlled)
13, 14
Programmable input A
(set = Command Override: Digital)
2
Control voltage
33, 34
Main contactor output
3
Three-phase supply B33, B34 Flow protection
4
Smart card B23, B24 Pressure or depth based control
5
Maximum water level
6
Flow sensor
7
Pressure sensor
8
Minimum water level

Table of Contents

Related product manuals