EasyManua.ls Logo

AuCom EMX4i - Typical Installation

AuCom EMX4i
126 pages
Print Icon
To Next Page IconTo Next Page
To Next Page IconTo Next Page
To Previous Page IconTo Previous Page
To Previous Page IconTo Previous Page
Loading...
INSTALLATION
710-14888-00C EMX4i User Manual 31
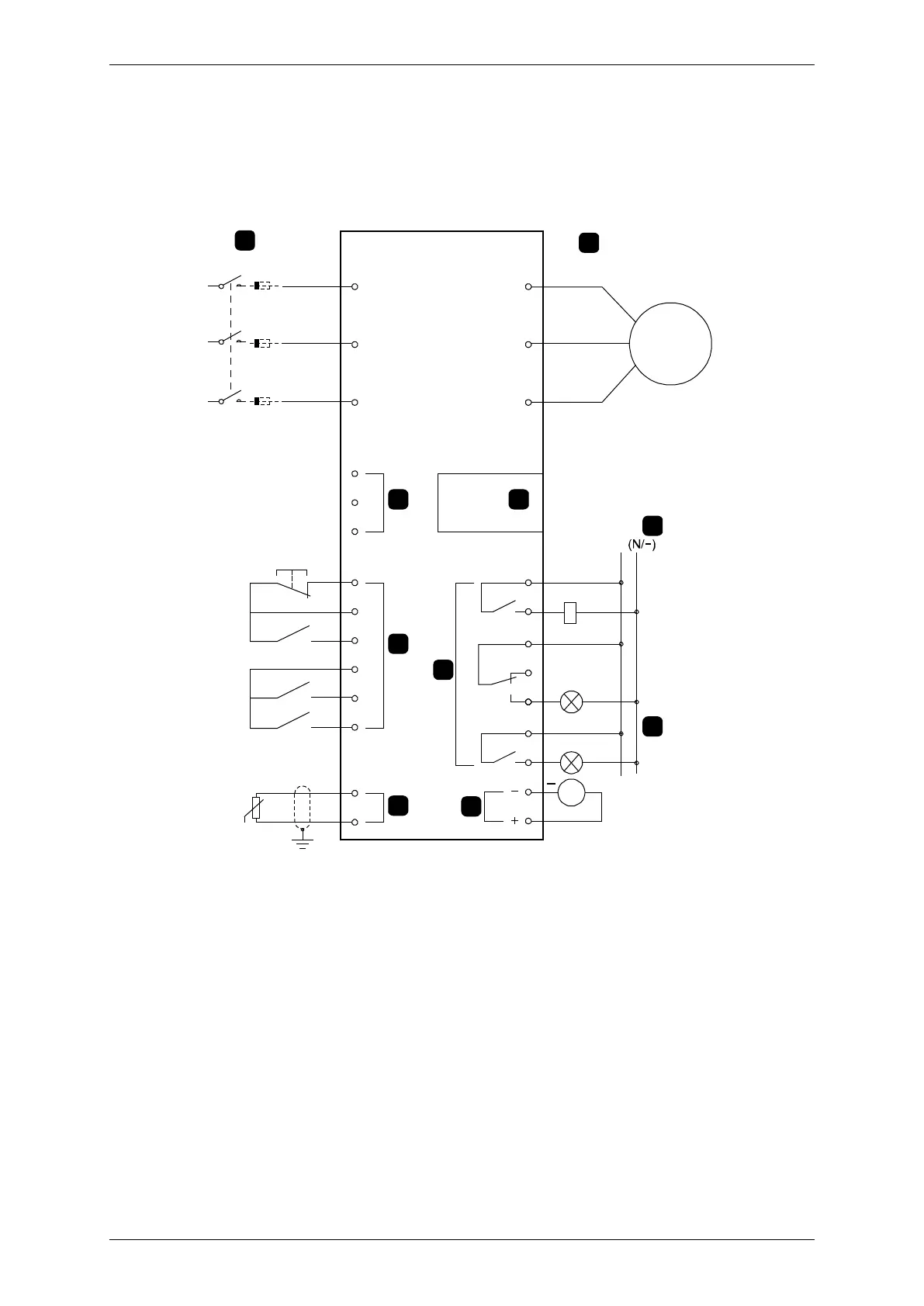
4.7 Typical Installation
The EMX4i is installed with a main contactor (AC3 rated). Control voltage must be
supplied from the input side of the contactor.
The main contactor is controlled by the main contactor output (33, 34).
A
+
M
42
41
6/T3
2/T1
33
34
4/T2
54
53
44
21
22
B5
B4
12
13
14
15
11
A2
A1
A3
5/L3
3/L2
10
1/L1
F1
S1
S2 K1
K1
7
6
5
3
2
1
10
4
9
8
17674.B
(L/+)

Table of Contents

Related product manuals