EasyManua.ls Logo

Belmont FMS2000 - Computer Board

Belmont FMS2000
134 pages
Print Icon
To Next Page IconTo Next Page
To Next Page IconTo Next Page
To Previous Page IconTo Previous Page
To Previous Page IconTo Previous Page
Loading...
4. Theory of Operation
4-41
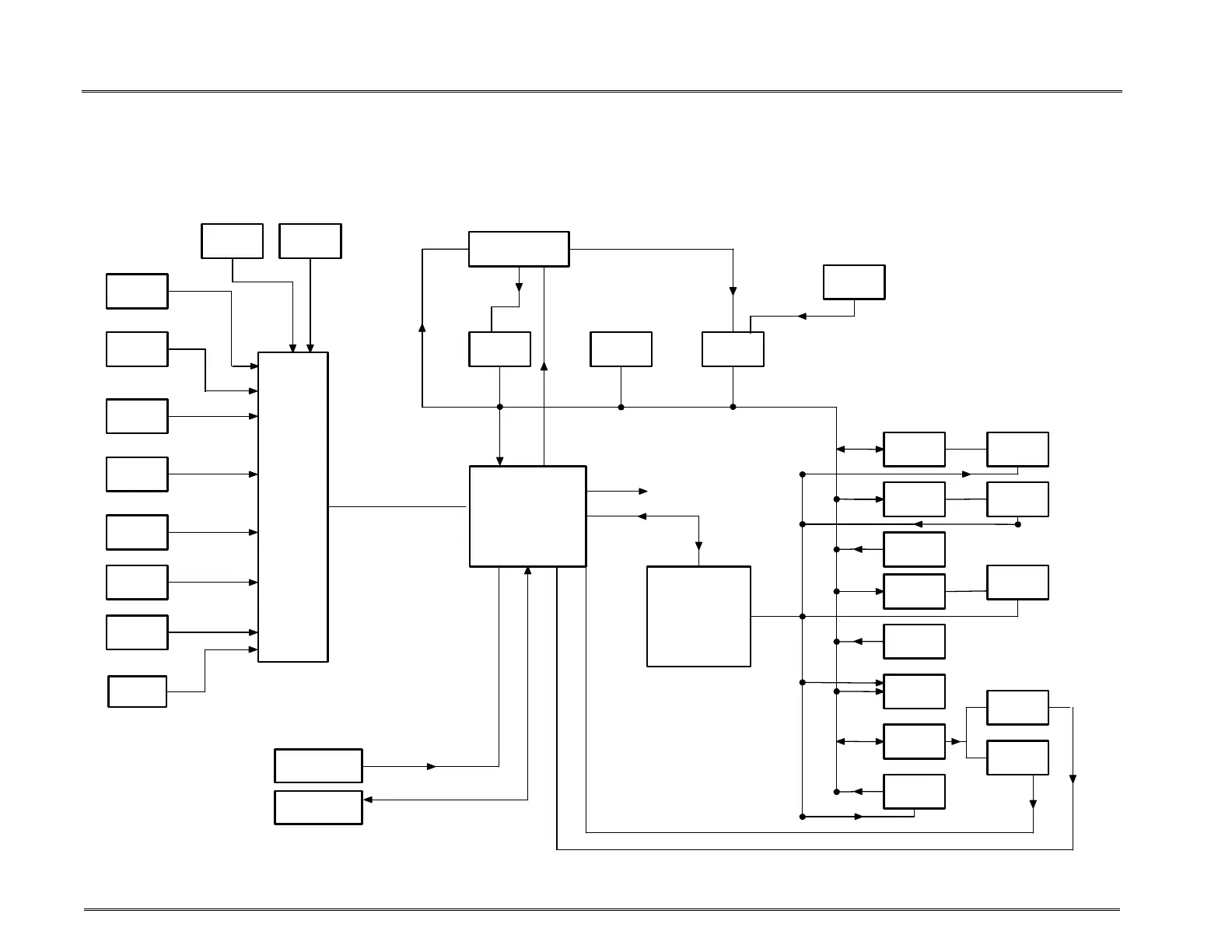
3. Computer Board
Computer Board Diagram
10 BIT
A/D
CPU
HARDWARE FAIL
PROCESSOR
OUTPUT
THERMOPILE
VOLTAGE
INPUT
AMBIENT
TEMPERATURE
30V
SUPPLY
PRESSURE
OUTPUT
AMBIENT
TEMPERATURE
VALVE
CURRENT
INPUT
THERMOPILE
VOLTAGE
THERMOPILE
REF.
ON/OFF
SWITCH
5V REF
.
DOOR OPEN
DETECTOR
RS232 PORT
RAM ROM
RTC
, RAM,
WATCHDOG
DATA ACCESS
CONTROL
BATTERY
DISPLAY
CONTROL
SYSTEM
VALVE MOTOR
WATCHDOG
PUMP MOTOR
WATCHDOG
DISPLAY
MEMORY
RESET
CONTROL
MOTOR SPEED
& DIRECTION
AIR DETECTOR
TEST
SOUND
CONTROL
KEYBOARD
SCAN
VALVE MOTOR
CONTROL
PUMP MOTOR
CONTROL
FLUID OUT
DETECTOR
AIR DETECTOR
ON/OFF SWITCH

Table of Contents

Other manuals for Belmont FMS2000

Related product manuals