EasyManua.ls Logo

Braillo 650 SF - Connection to Printer, Schematic

Default Icon
155 pages
Print Icon
To Next Page IconTo Next Page
To Next Page IconTo Next Page
To Previous Page IconTo Previous Page
To Previous Page IconTo Previous Page
Loading...
BRAILLO
l
B 650 SF
136
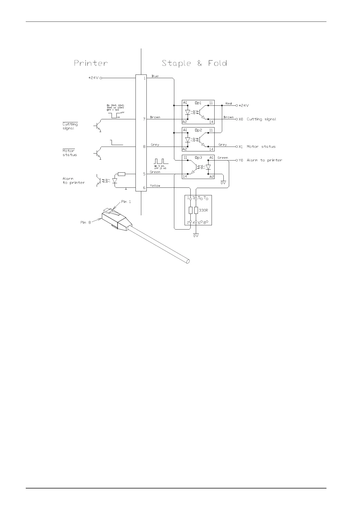
7.18 Connection to Printer, schematic
The line “Cutting signal” serves three different signal purposes:
1. What size is the sheet.
2. When to cut the paper.
3. What is the last sheet in a book.
1. The size of the sheet is sent as a coded message before the Printer starts. When the Printer receives
a le from the computer, the Printer calculates the size depending on the margins and the line length
selected. This size information is then sent to the S&F and it will adjust itself automatically to the cor-
rect sheet length.
2. The Printer sends a 120 mS pulse as a cutting signal during regular printing.
3. The Printer sends a 30 mS pulse as a cutting signal when it is ready to cut the last sheet in the book.
This will make the S&F get the cover (if selected) and staple and fold the book.
The line “Alarm to Printer” will send signals from the S&F to the Printer.
One 5 mS pulse sets the Printer to “ready” mode.
Two 5 mS pulses will pause the Printer.
The line “Motor status” is used in combination with the cutting signal to differ from a regular cutting
pulse and sending of the sheet size.

Table of Contents