EasyManua.ls Logo

Braillo 650 SF - Schematic Staplers Position; Schematic Pneumatic Valves

Default Icon
155 pages
Print Icon
To Next Page IconTo Next Page
To Next Page IconTo Next Page
To Previous Page IconTo Previous Page
To Previous Page IconTo Previous Page
Loading...
BRAILLO
l
B 650 SF
143
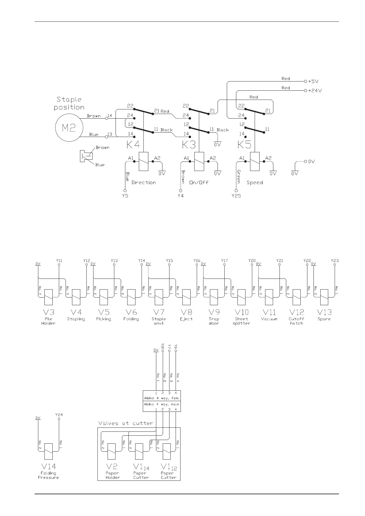
7.22 Schematic staplers position
7.23 Schematic pneumatic valves

Table of Contents