EasyManua.ls Logo

Broadcom BCM7405 - UHF Receiver; Figure 1-20: Analog Front End of UHF Receiver with External Components

Broadcom BCM7405
194 pages
Print Icon
To Next Page IconTo Next Page
To Next Page IconTo Next Page
To Previous Page IconTo Previous Page
To Previous Page IconTo Previous Page
Loading...
2/24/2008 9T6WP
BCM7405 Preliminary Hardware Data Module
Functional Description 06/29/07
Broadcom Corporation
Page 1-74 Peripherals Document 7405-1HDM00-R
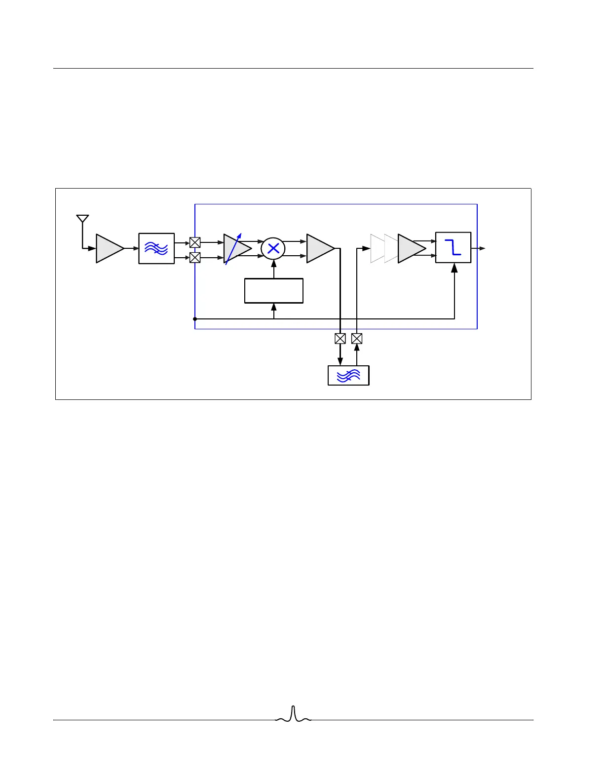
UHF RECEIVER
The UHF receiver consists of an analog front end (AFE) and a digital front end (DFE). Data packet decoding is done in IR
Receiver Controller.
The AFE converts RF FSK-modulated signals in a band from 350 to 450 MHz down to an IF of 10.7 MHz. In terms of
sensitivity, it can operate from -102 dBm to -30 dBm. The AFE operates with several off-chip components such as LNA, a
pre-filter, and a ceramic filter as shown in Figure 1-20.
Figure 1-20: Analog Front End of UHF Receiver with External Components
The digital front end processes the digitally sampled IF signal as shown in Figure 1-21 on page 1-75. The digitally sampled
IF signal is mixed with a 10.7 MHz carrier frequency to bring it to baseband. It supports three sampling rates which are 27
MHz, 54 MHz, and 81 MHz. The baseband signal is then filtered with an anti-aliasing filter and downsampled to a 500-kHz
signal. Frequency information is obtained using a digital frequency discriminator, which converts the I and Q input samples
to a signal proportional to the input frequency. This signal is then passed through an adaptive slicer which outputs a binary
FSK datastream indicating the received data symbols.
Frequency
Synthesizer
RF BufferPre-filter
Antenna
To DFE
LNA
54-MHz internal
clock
Ceramic Filter
Slicer
Limiting Amp
IF Driver

Table of Contents

Related product manuals