EasyManua.ls Logo

Comtech EF Data HPOD - Page 126

Comtech EF Data HPOD
156 pages
Print Icon
To Next Page IconTo Next Page
To Next Page IconTo Next Page
To Previous Page IconTo Previous Page
To Previous Page IconTo Previous Page
Loading...
HPOD C-, X-, Ku-Band High-Power Outdoor Amplifier Revision 6
Appendix A MN/HPOD.IOM
A–26
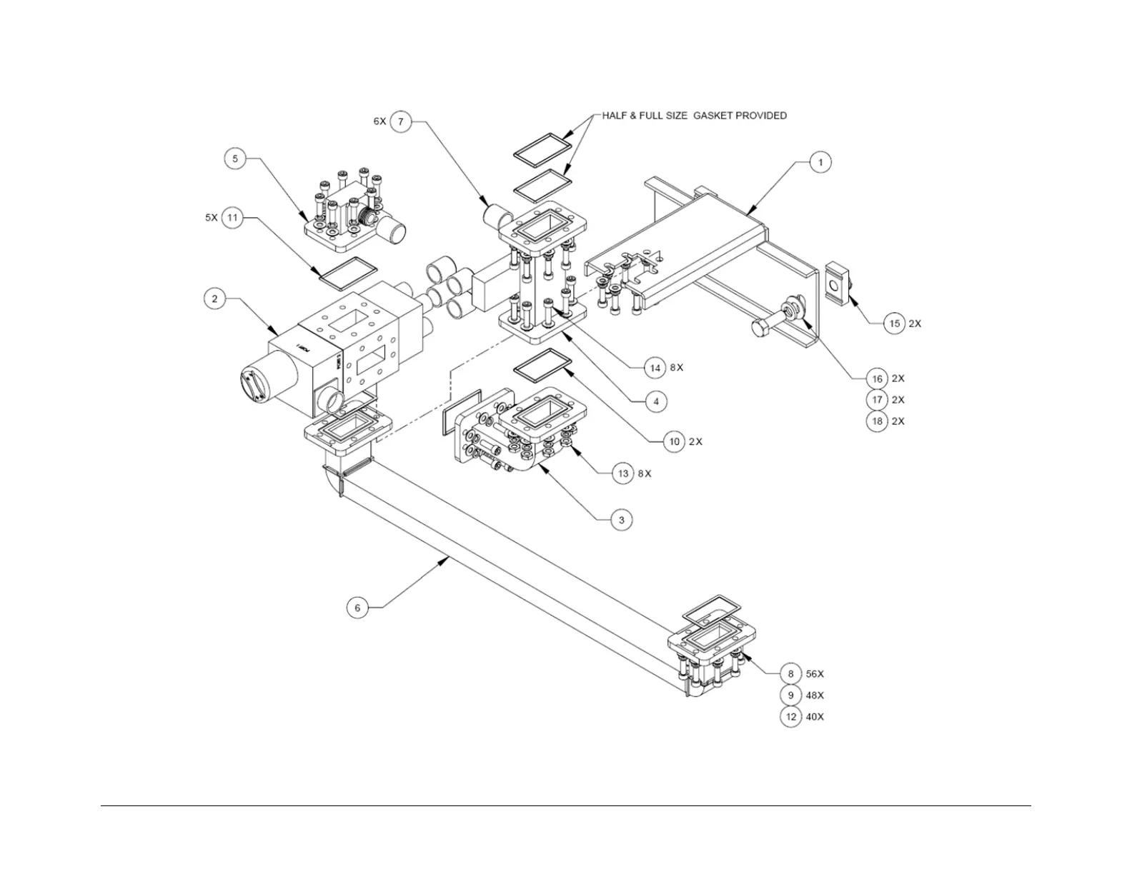
Figure A-14. HPOD C-Band Offline Unit Termination Bypass Waveguide Kit (CEFD P/N KT-0020523)

Table of Contents

Related product manuals