EasyManua.ls Logo

Comtech EF Data HPOD - Theory of Operation; Figure 1-3. Comtech EF Data HPOD SSPA Block Diagram

Comtech EF Data HPOD
156 pages
Print Icon
To Next Page IconTo Next Page
To Next Page IconTo Next Page
To Previous Page IconTo Previous Page
To Previous Page IconTo Previous Page
Loading...
HPOD C-, X-, Ku-Band High-Power Outdoor Amplifier Revision 6
Introduction MN/HPOD.IOM
1–4
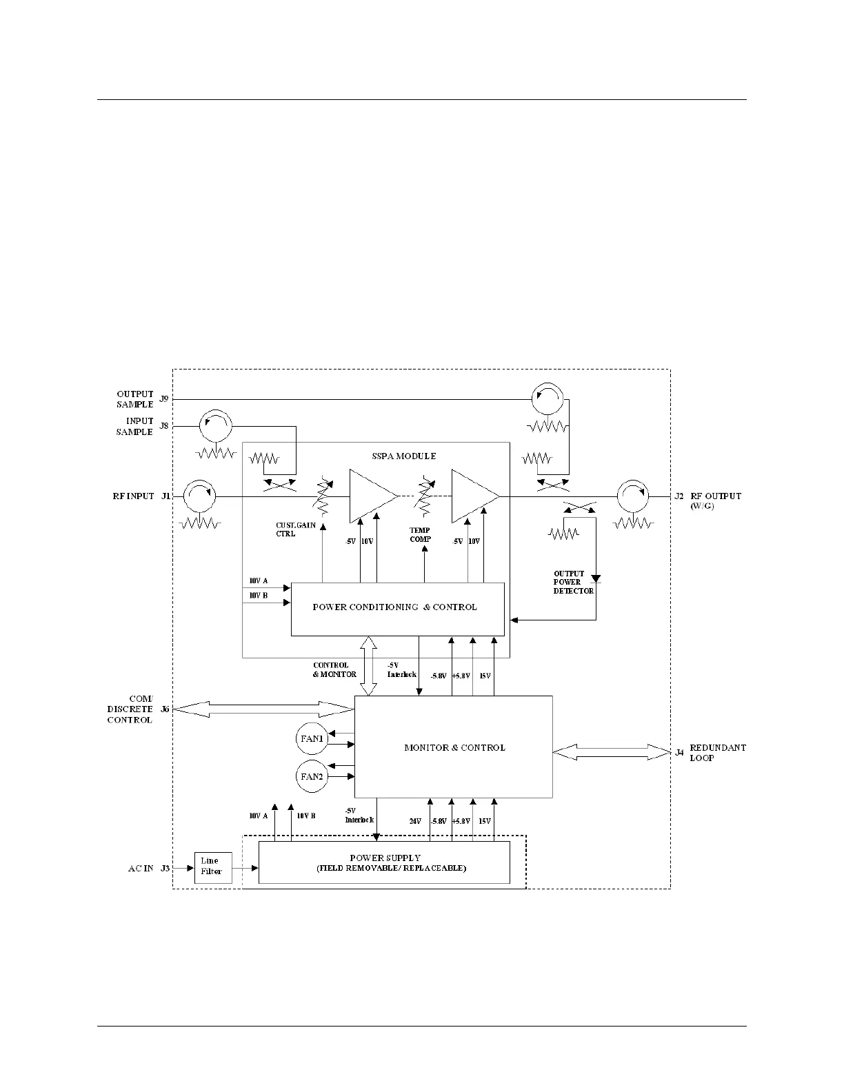
1.3 Theory of Operation
Figure13showstheblockdiagramfortheHPODSSPA.Themajorcomponentsoftheunitare
the:
SSPAModule.
PowerSupply(PowerFactorCorrectedandRemovable/FieldReplaceable).
CoolingSystem.
MonitorandControl(M&C).
Figure 1-3. Comtech EF Data HPOD SSPA Block Diagram

Table of Contents

Related product manuals