EasyManua.ls Logo

Dobot CR20A - CR20 A Base Installation Dimensions; CR20 A Flange Dimensions

Dobot CR20A
82 pages
Print Icon
To Next Page IconTo Next Page
To Next Page IconTo Next Page
To Previous Page IconTo Previous Page
To Previous Page IconTo Previous Page
Loading...
Dobot CR A Series User Guide
Issue V1.3 (2023-09-14) User Guide Copyright © Yuejiang Technology Co., Ltd.
39
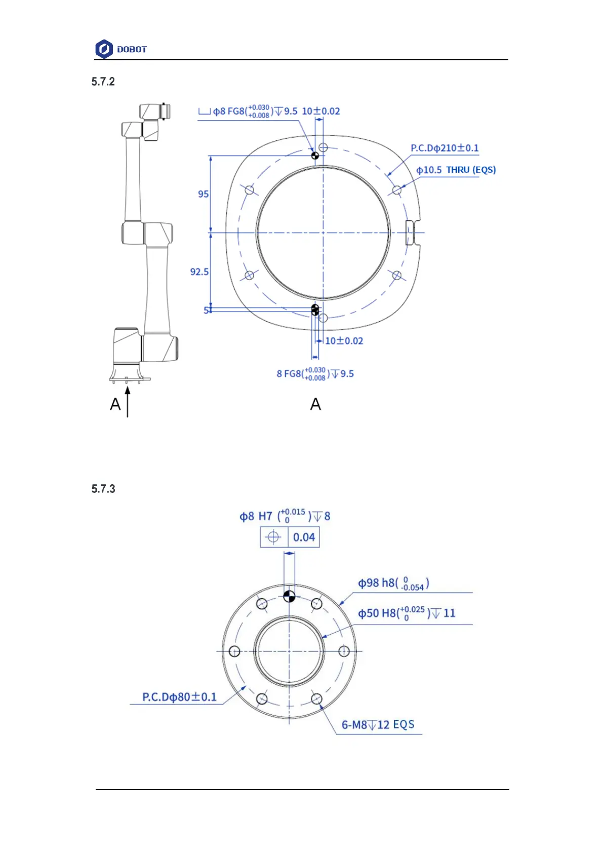
CR20A base installation dimensions
Figure 5.24 CR20A base installation dimensions
CR20A flange dimensions
Figure 5.25 CR20A end flange dimensions

Table of Contents

Related product manuals