EasyManua.ls Logo

Dobot CR20A - 5.7 CR20 A Mechanical Specifications

Dobot CR20A
82 pages
Print Icon
To Next Page IconTo Next Page
To Next Page IconTo Next Page
To Previous Page IconTo Previous Page
To Previous Page IconTo Previous Page
Loading...
Dobot CR A Series User Guide
Issue V1.3 (2023-09-14) User Guide Copyright © Yuejiang Technology Co., Ltd.
38
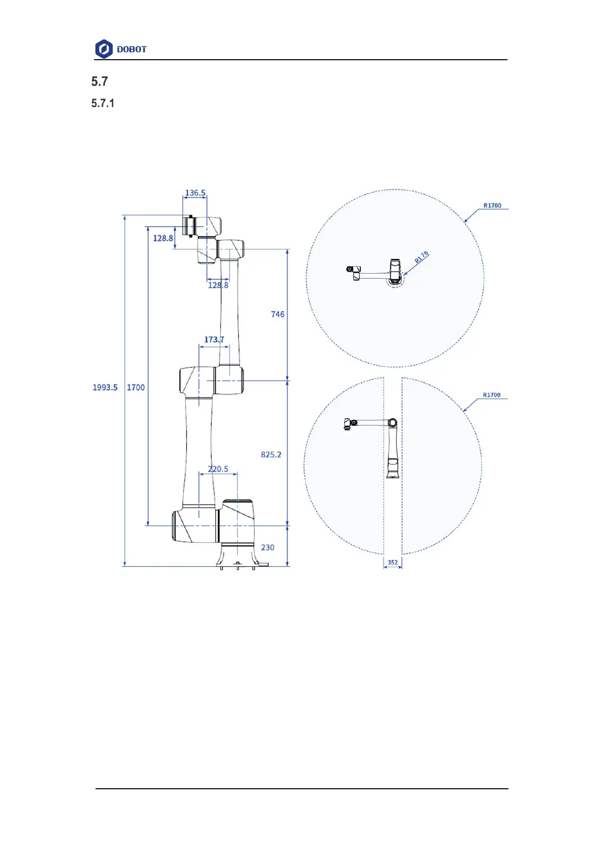
CR20A mechanical specifications
CR20A dimensions and working space
When selecting the installation position for the robot, you must consider the cylindrical space
directly over and under the robot, and try to avoid moving the tool to the cylindrical space. Because
this will cause the joints to rotate too fast while the tool moves slowly, resulting in low working
efficiency of the robot and difficult risk assessment.
Figure 5.23 CR20A dimensions and working space

Table of Contents

Related product manuals