EasyManua.ls Logo

Ducati R5 - Three-Phase Network Without Neutral in Cogeneration with 400 V Phase-Phase Voltage

Ducati R5
70 pages
Print Icon
To Next Page IconTo Next Page
To Next Page IconTo Next Page
To Previous Page IconTo Previous Page
To Previous Page IconTo Previous Page
Loading...
MU-MID-R5-D-ENG.doc
Page8 of 70
CAUTION: At first power-up of the system, if on the amperometric input there is a current exceeding 0.7% of the CT
secondary wiring Chap. 7.1.2 the auto-acquisition procedure will be automatically performed based on one of the
methods specified in Chap. 6. This procedure requires the essential parameters necessary for the first commissioning.
WARNING: If you want or if you need to edit the default parameters before auto-acquisition, do not connect the
current signal to controller (CURRENT terminals), or make sure that the current reading is equal to zero.
Then set parameters through the Setup Menu consistently with the indications given in Chap. 7.7.
NOTE 1: in case of blocking reactors, refer to the indications given in Chap. 8.9 - Presence of blocking reactors.
NOTE 2: the Re-connection time parameter must be set consistently with the indications given in the power factor
correction equipment manual. WARNING: Entering a time shorter than the recommended one can lead to equipment
and/or controller damage.
It is always possible to edit parameters even after the auto-acquisition and/or to repeat this latter using the Auto-
acquisition reset functions (Chap. 8.6.6) and Reset to factory settings (Chap. 8.6.7).
GO BACK TO CONNECTIONS
GO BACK TO CONTENTS
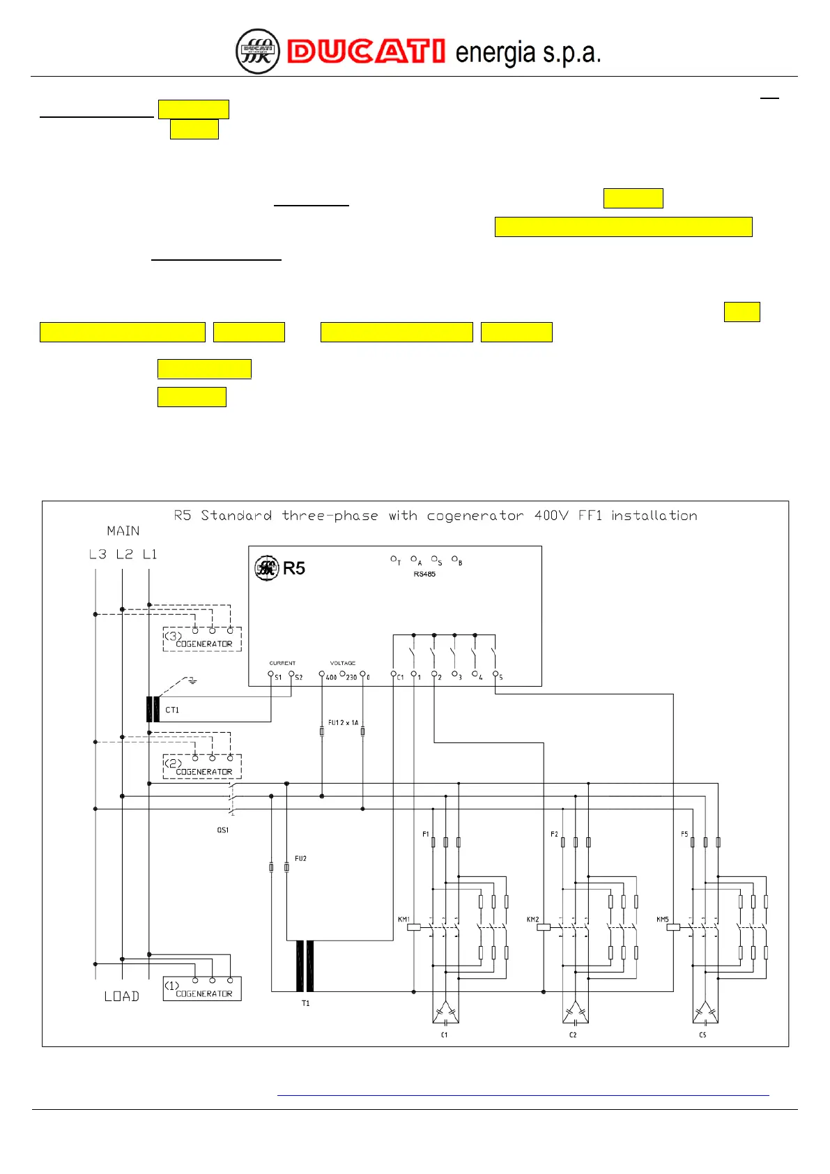
5.1.2 Three-phase network without neutral in cogeneration with 400V phase-phase
voltage
Connect the R5 controller as indicated in the figure below.
NOTE: the diagram shows a FF1 configuration, for FF2 and FF3 configurations, refer to the complete operating
manual, available at the following link: https://www.ducatienergia.com/product.php?lang=en&id=8&cat=13&product=89

Table of Contents

Related product manuals