EasyManua.ls Logo

Duplo DSF-2000 - Enter the number of sets to be processed and the number of sheets in one set

Duplo DSF-2000
62 pages
To Next Page IconTo Next Page
To Next Page IconTo Next Page
To Previous Page IconTo Previous Page
To Previous Page IconTo Previous Page
Loading...
1-23
99T-M12M0-0107-0
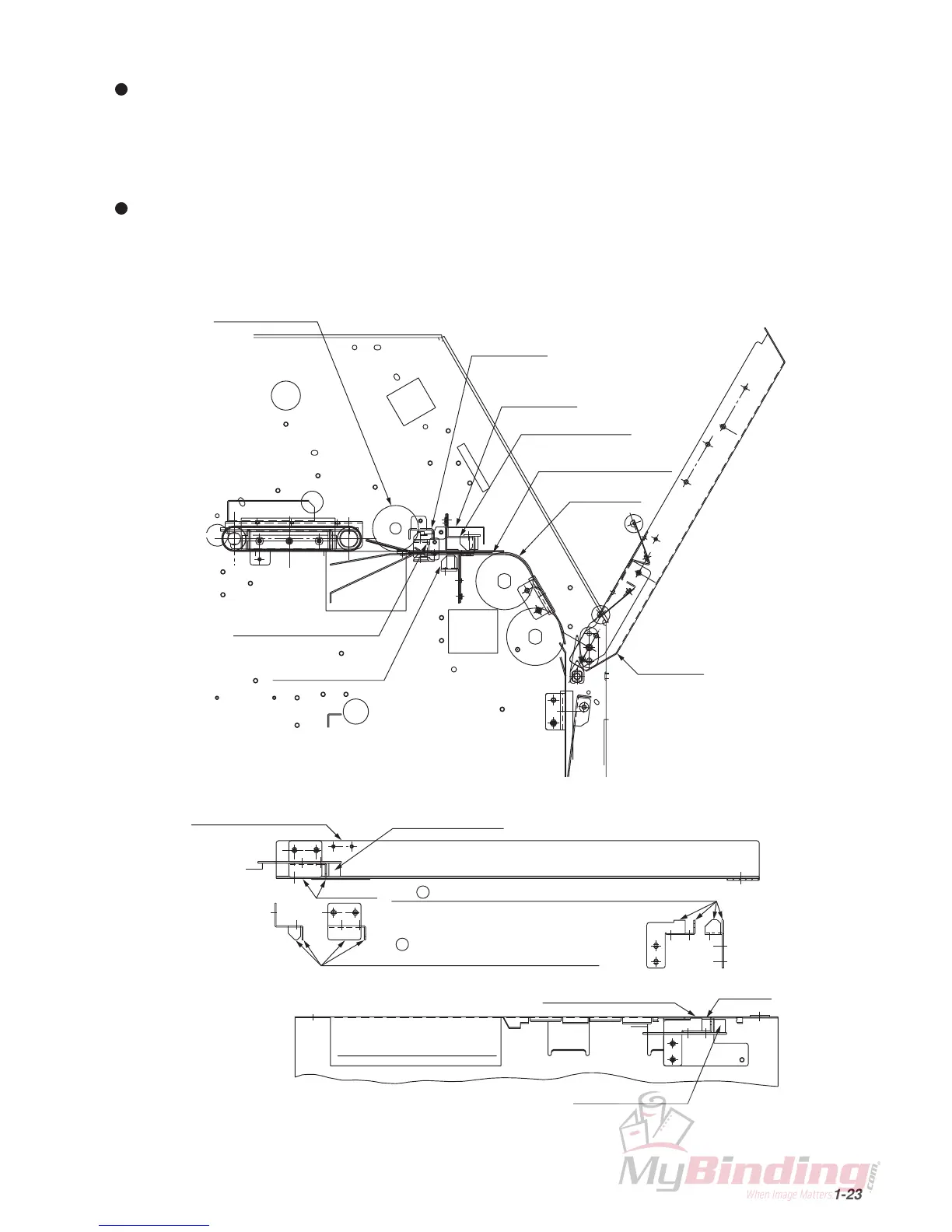
9-2. Replacing the End Mark Sensor
To replace the top sensor, remove the sensor cover, and remove the T mark sensor assy.
To attach, press part a of the T mark sensor assy shown in the figure against the paper feed inlet A upper, and
secure it.
If there exists a space between the surface of the paper feed inlet A upper and T mark sensor assy, the end mark
may not be detected successfully.
To replace the bottom sensor, remove the double-feed detection unit, paper feed inlet A upper, paper feed
conveyance roller shaft, and upper door, and remove the paper feed inlet A lower together with the whole sensor.
To attach, press part b of the D mark sensor assy shown in the figure against the bottom of the paper feed inlet A
lower, and secure it.
Sensor cover
Double-feed detection unit
D mark sensor assy
T mark sensor assy
D mark sensor assy
Paper feed inlet A lower
Space: 0
Space: 0
Part a
(Press this against paper feed inlet A upper)
Paper feed inlet A upper
Sensor cover
T mark sensor assy
Paper feed inlet A upper
Paper feed
inlet A lower
Upper door
Conveyance shaft
Part b (Press this against bottom of paper feed inlet A lower)

Table of Contents

Other manuals for Duplo DSF-2000

Related product manuals