EasyManua.ls Logo

Edwards EXT70 - ACX75 Air-Cooler Dimensions (MM)

Edwards EXT70
70 pages
Print Icon
To Next Page IconTo Next Page
To Next Page IconTo Next Page
To Previous Page IconTo Previous Page
To Previous Page IconTo Previous Page
Loading...
B580-65-880 Issue G
Page 12 © Edwards Limited 2008. All rights reserved.
Edwards and the Edwards logo are trademarks of Edwards Limited.
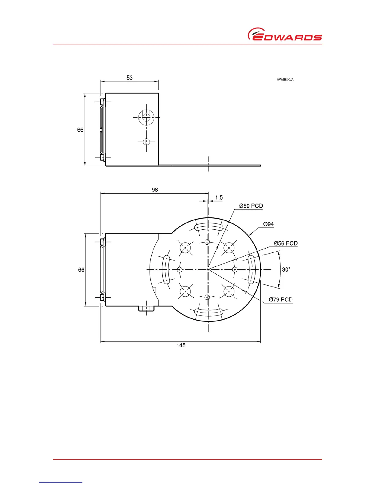
ACX air-cooler
Figure 5 - ACX75 air-cooler dimensions (mm)

Table of Contents

Related product manuals