EasyManua.ls Logo

Edwards EXT70 - ACX500 Air-Cooler Installation (Shown Fitted to EXT501 Pump)

Edwards EXT70
70 pages
Print Icon
To Next Page IconTo Next Page
To Next Page IconTo Next Page
To Previous Page IconTo Previous Page
To Previous Page IconTo Previous Page
Loading...
© Edwards Limited 2008. All rights reserved. Page 25
Edwards and the Edwards logo are trademarks of Edwards Limited.
ACX air-cooler
B580-65-880 Issue G
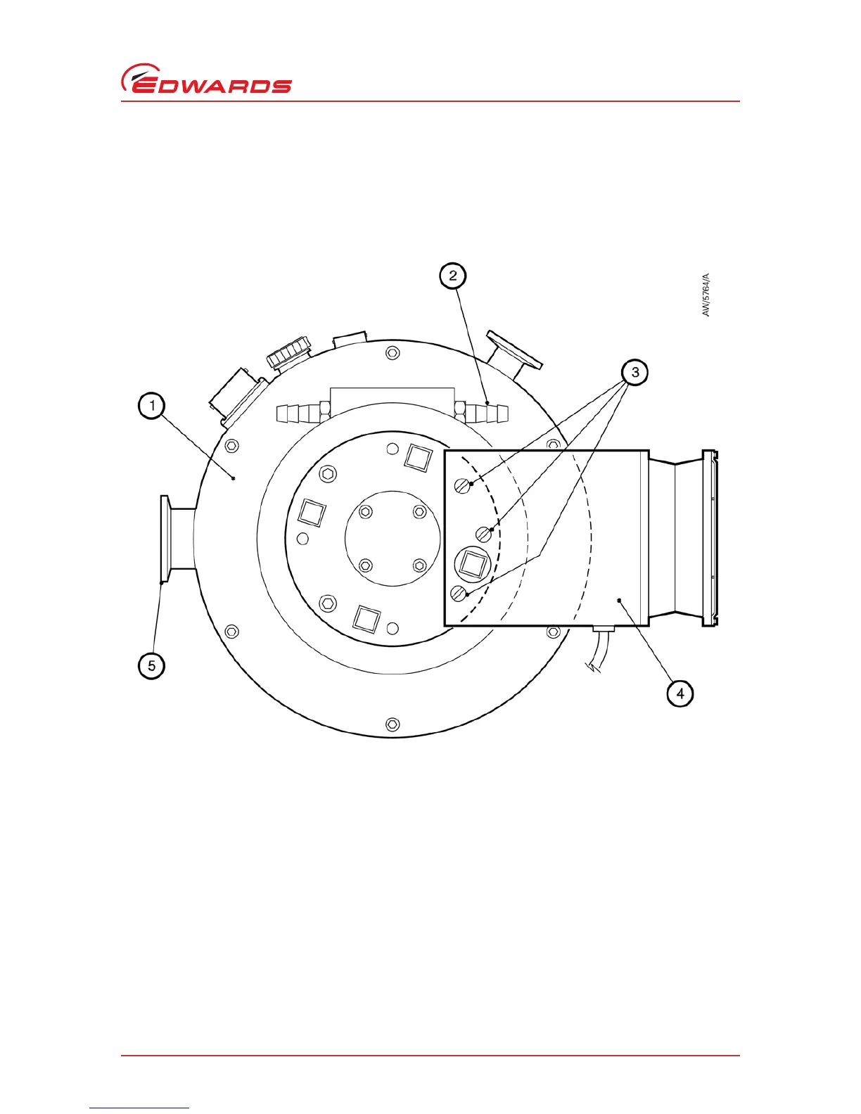
Figure 18 - ACX500 air-cooler installation (shown fitted to EXT501 pump)
1. EXT501 pump-base
2. Pump water-cooling connections
3. Screws: M5 x 5 (3 off)
4. ACX500 mounting bracket
5. Pump outlet-port

Table of Contents

Related product manuals