EasyManua.ls Logo

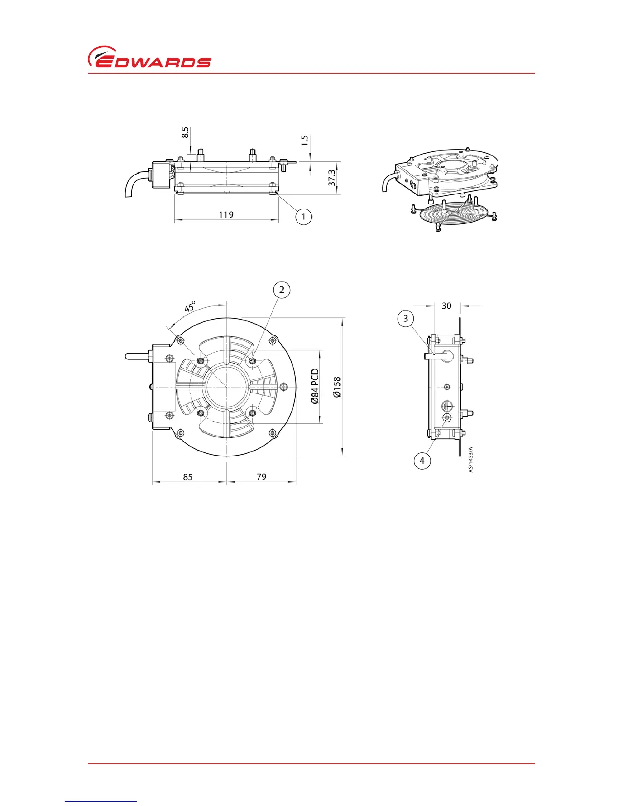
Edwards EXT70 - ACX400 Axial Air-Cooler Dimensions (MM)

Edwards EXT70
70 pages
Print Icon
To Next Page IconTo Next Page
To Next Page IconTo Next Page
To Previous Page IconTo Previous Page
To Previous Page IconTo Previous Page
Loading...
© Edwards Limited 2008. All rights reserved. Page 21
Edwards and the Edwards logo are trademarks of Edwards Limited.
ACX air-cooler
B580-65-880 Issue G
Figure 14 - ACX400 axial air-cooler dimensions (mm)
1. Removable screen for mounting
2. Mounting screws (M5 x 16) x 4
3. 24 V power
4. Earth screw (M5 x 10)

Table of Contents

Related product manuals