EasyManua.ls Logo

Edwards STP-iX455 - Figure 7.2 X2 REMOTE Input Signal Pins

Edwards STP-iX455
147 pages
Print Icon
To Next Page IconTo Next Page
To Next Page IconTo Next Page
To Previous Page IconTo Previous Page
To Previous Page IconTo Previous Page
Loading...
STP-iX455/iXL455 Series Instruction Manual
7-4
Operation
+12V
+12V
+12V
+12V
+12V
+12V
2. 2kΩ
2. 2kΩ
2. 2k
Ω
2. 2k
Ω
2.2k
Ω
2.2k
Ω
+12V
+12V
2.2k
Ω
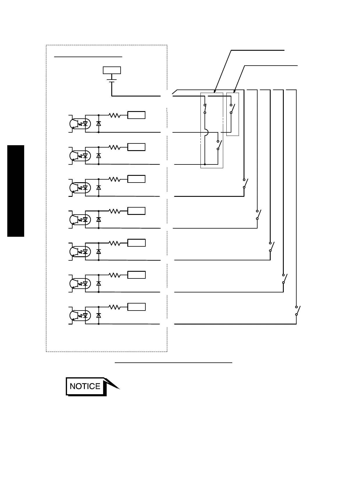
X2 : Remote Input Signal
In case of Start 1)
COM
START IN
STOP IN
RESET IN
INHIBIT IN
INHIBIT ENABLE IN
PORT SELECT IN
VALVE ENABLE IN
Reset signal
Rotation inhibit signal
Input port select signal
Rotation inhibit enable signal
Vent valve enable signal
(1)
(24)
(2)
(14)
(15)
(3)
(13)
(25)
(12)
In case of Start 2)
Figure 7.2 X2 REMOTE Input Signal Pins
COM pins (1, 24 pin) are isolated from the frame ground.
The input current of remote input signal is approx. 5 mA. Make sure the minimum
applicable load of the relay contact when the remote operation with the relay.
It is recommended to use a remote cable with shield type, and connect both
terminals to the ground.

Table of Contents

Related product manuals