EasyManua.ls Logo

ELDAN MPR200T - Page 147

ELDAN MPR200T
202 pages
Print Icon
To Next Page IconTo Next Page
To Next Page IconTo Next Page
To Previous Page IconTo Previous Page
To Previous Page IconTo Previous Page
Loading...
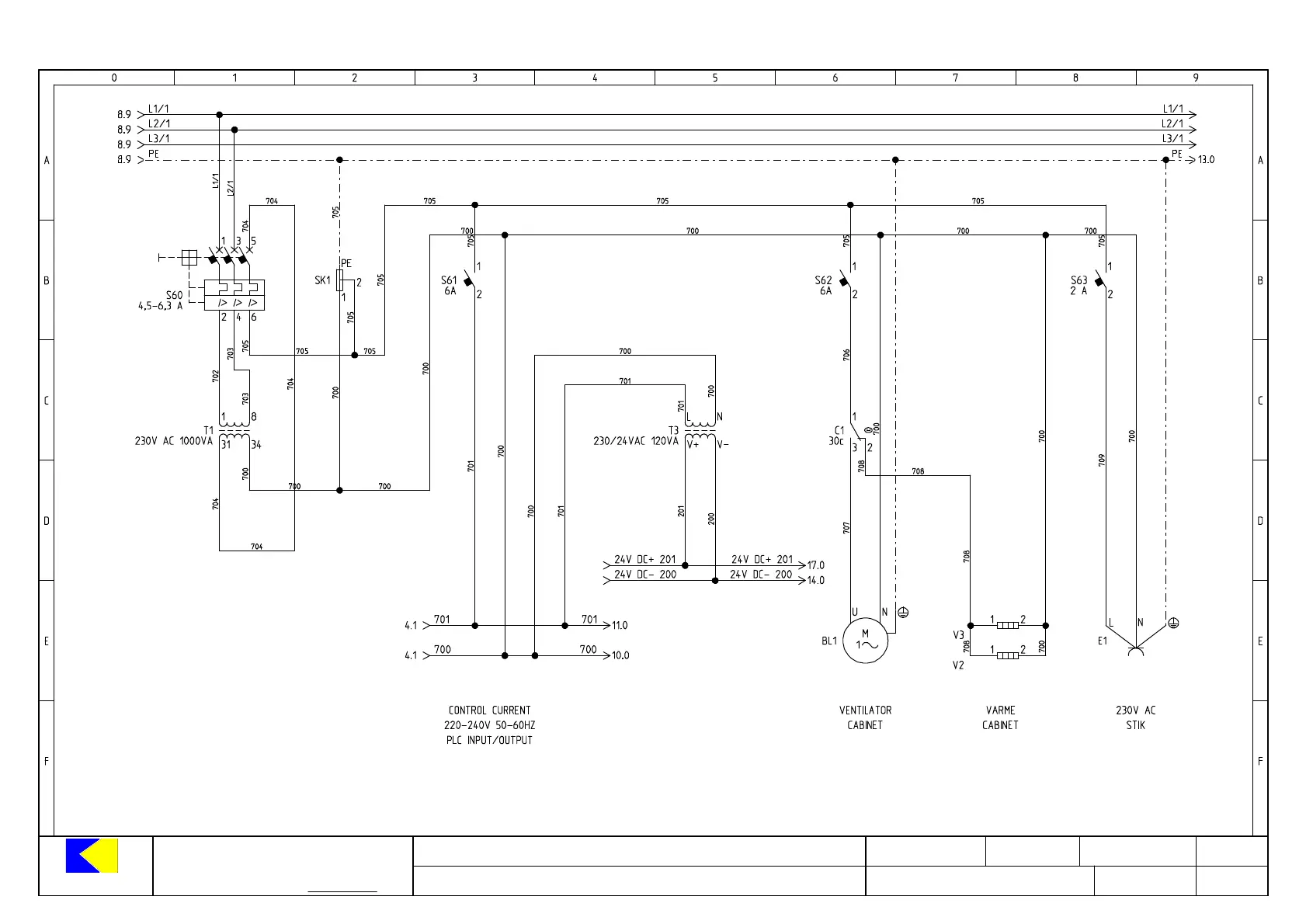
1494 MPR200 Recykel
Page:Layout
4120-1494
Drawing No.Date:
05-02-2009
Init.:
TH/MJ
Multi Purpose Rasper MPR200
RECYKEL
9
RECYCLING
ELDAN RECYCLING A/S
VAERKMESTERVEJ 4
DK-5600 FAABORG
PHONE: (+45) 63 61 25 45
Telefax:(+45) 63 61 25 40
Homepage: www.eldan.com E-mail: eldan@eldan.com
SCANDINAVIA
ELDAN
Total Pages
49662
Instruction No.
Customer :
Type :
44

Table of Contents