EasyManua.ls Logo

Enotec COMTEC 6000 - 2.6 Wiring Diagram of the COMTEC 6000 System

Enotec COMTEC 6000
67 pages
Print Icon
To Next Page IconTo Next Page
To Next Page IconTo Next Page
To Previous Page IconTo Previous Page
To Previous Page IconTo Previous Page
Loading...
Installation and Operation Manual - COMTEC
®
6000 Installation
Doc.-ID: COM6000_11022020_EN 13
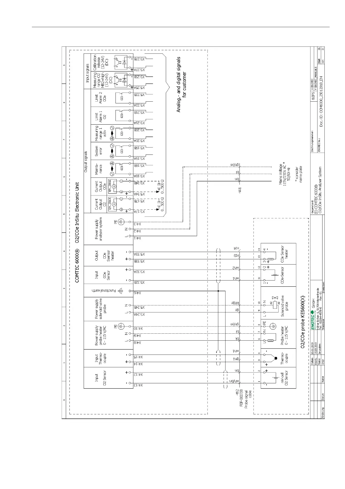
2.6 Wiring Diagram of the COMTEC 6000 System
Figure 7 - Wiring diagram of the COMTEC 6000

Table of Contents

Related product manuals