EasyManua.ls Logo

EWM Tetrix 351 - Rectifying Faults (Continued); Resetting Welding Parameters to Factory Settings

EWM Tetrix 351
138 pages
Print Icon
To Next Page IconTo Next Page
To Next Page IconTo Next Page
To Previous Page IconTo Previous Page
To Previous Page IconTo Previous Page
Loading...
Rectifying faults
Resetting welding parameters to the factory settings
126
099-000115-EW501
17.06.2015
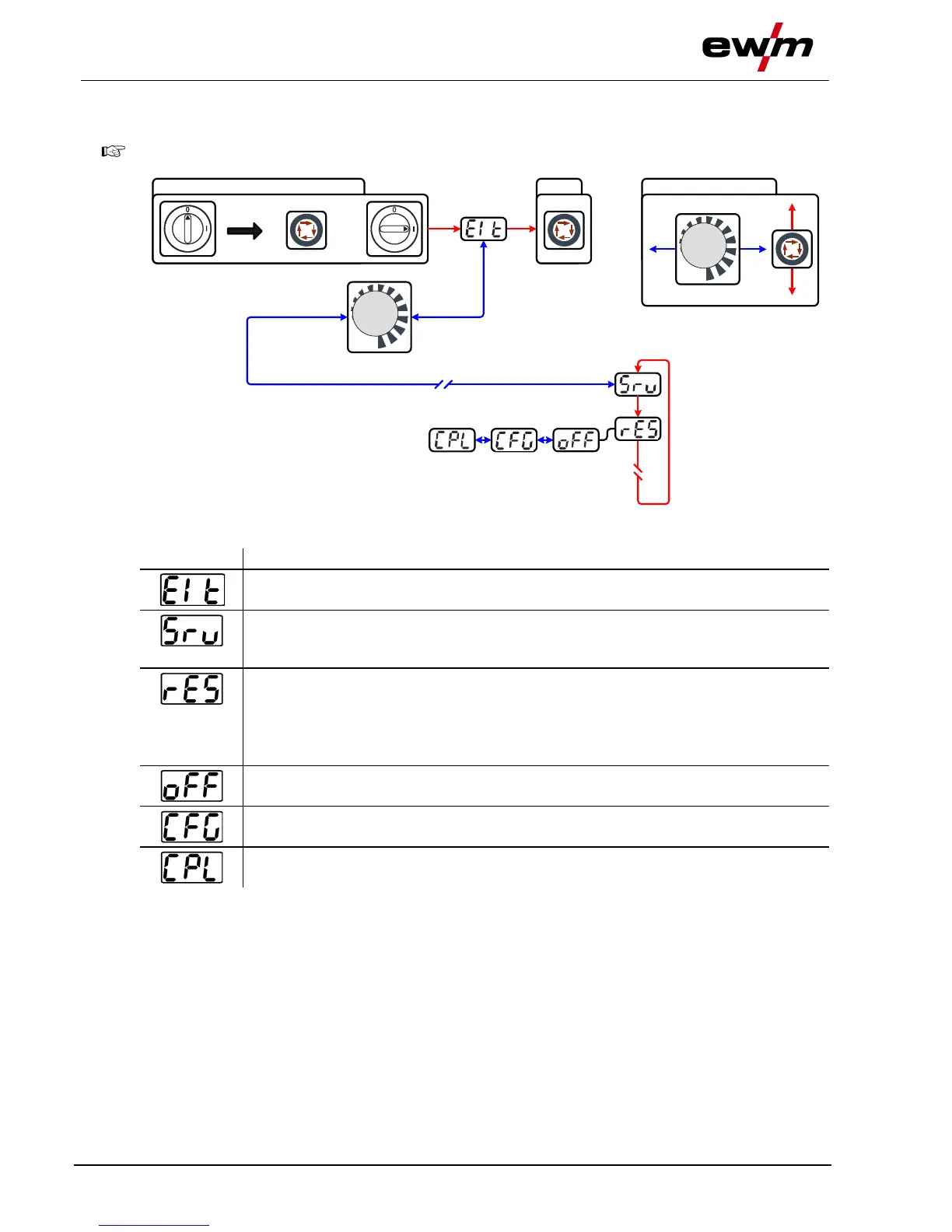
7.4 Resetting welding parameters to the factory settings
All customised welding parameters that are stored will be replaced by the factory settings.
ENTER
+
EXIT NAVIGATION
l
0
Figure 7-1
Display
Setting/selection
Exit the menu
Exit
Service menu
Modifications to the service menu may only be carried out by authorised maintenance
staff!
Reset (reset to factory settings)
off = aus (factory setting)
CFG = Reset the values in the machine configuration menu
CPL = Complete reset of all values and settings
The reset is performed when leaving the menu (EXIT).
Switch off
Switching off machine function
Reset machine configuration
Resetting the values in the machine configuration menu
Complete reset
Complete reset of all values and settings by the factory settings

Table of Contents

Related product manuals