EasyManua.ls Logo

EWM Tetrix 351 - Design and Function - TIG Synergic Operating Principle (Continued); Expert Menu (TIG) Navigation and Parameter Adjustment; Welding Parameter Setting and Factory Defaults Display

EWM Tetrix 351
138 pages
Print Icon
To Next Page IconTo Next Page
To Next Page IconTo Next Page
To Previous Page IconTo Previous Page
To Previous Page IconTo Previous Page
Loading...
Design and function
TIG Synergic operating principle
099-000115-EW501
17.06.2015
65
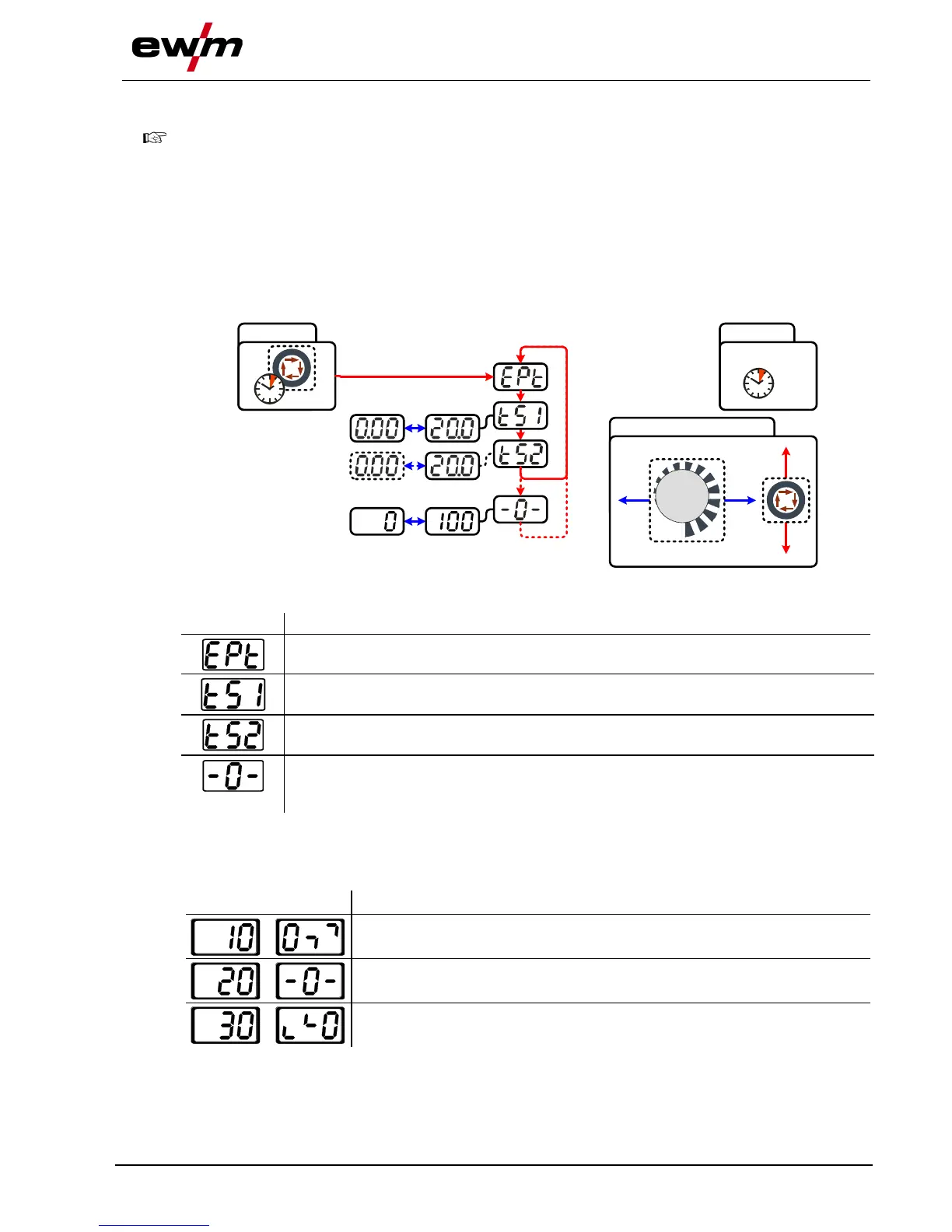
5.13.6 Expert menu (TIG)
ENTER (enter the menu)
Keep the "welding parameters" button pressed for 4 s.
NAVIGATION (Navigating in the menu)
Parameters are selected by pressing the "welding parameters" button.
Set or change the parameters by turning the "welding parameter setting" rotary dial.
EXIT (leave the menu)
After 4 s, the machine will return automatically to the ready-to-operate status.
The expert menu includes functions and parameters which are either not set on the machine control, or
which do not require regular setting.
ENTER EXIT
4 s
NAVIGATION
4 s
Figure 5-26
Display
Setting/selection
Expert menu
Slope time tS1 (main current to secondary current)
Setting: 0.00 s to 20.0 s (factory setting 0.00 s)
Slope time tS2 (secondary current to main current)
Setting: 0.00 s to 20.0 s (factory setting 0.00 s)
activArc parameter
Parameter can also be set after activating TIG activArc welding.
Display shown = factory setting.
5.13.6.1 Welding parameter setting
During the welding parameter setting process, the parameter value being set is displayed on the left-hand
display. The right-hand display shows the “Factory setting” or a variation of it upwards or downwards.
Displays, e.g. when setting the ignition current, and their meanings:
Display
Meaning of the symbols shown in the right-hand display
Increase parameter value To restore the factory settings.
Factory setting Parameter value is on the optimum setting
Reduce parameter value To restore the factory settings.

Table of Contents

Related product manuals