EasyManua.ls Logo

EWM Tetrix 351 - Design and Function - TIG Synergic Operating Principle (Continued); Specifying Maximum Accessible JOBs for Torch Modes

EWM Tetrix 351
138 pages
Print Icon
To Next Page IconTo Next Page
To Next Page IconTo Next Page
To Previous Page IconTo Previous Page
To Previous Page IconTo Previous Page
Loading...
Design and function
TIG Synergic operating principle
099-000115-EW501
17.06.2015
89
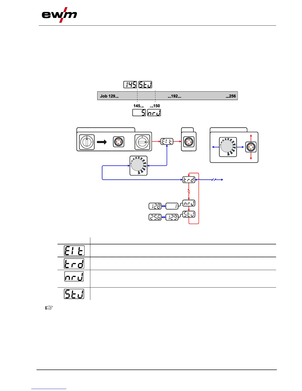
5.13.16.6 Specifying max. no. of accessible JOBs
This function can be used to specify the maximum number of JOBs which can be retrieved from the free
memory. The factory setting is for 10 JOBs to be accessible on the welding machine, but this figure can
be increased to up to 128 if required.
The first JOB in the free memory is JOB 129. With the factory setting of 10 JOBs, this equates to JOB
numbers 129 to 138. The first JOB can be set as required.
The following graphic gives an example with the settings for max. JOBs available = 5 and first available
JOB = 145. This gives the available JOBs 145 to 150.
Figure 5-44
ENTER
+
EXIT NAVIGATION
l
0
Figure 5-45
Display
Setting/selection
Exit the menu
Exit
Torch configuration menu
Set welding torch functions
Get JOB number
Set maximum selectable jobs (setting: 1 to 128, factory setting 10).
Additional parameter after activating the BLOCK JOB function.
Start JOB
Set first JOB to get (setting: 129 to 256, factory setting 129).
The setting of the max. number of JOBs is intended solely for torch modes 4, 5 and 6 or 14, 15
and 16 (no tapping function).

Table of Contents

Related product manuals