EasyManua.ls Logo

EWM Tetrix 351 - Design and Function - TIG Synergic Operating Principle (Continued); Torch Mode and Up;Down Speed Setting Configuration

EWM Tetrix 351
138 pages
Print Icon
To Next Page IconTo Next Page
To Next Page IconTo Next Page
To Previous Page IconTo Previous Page
To Previous Page IconTo Previous Page
Loading...
Design and function
TIG Synergic operating principle
099-000115-EW501
17.06.2015
81
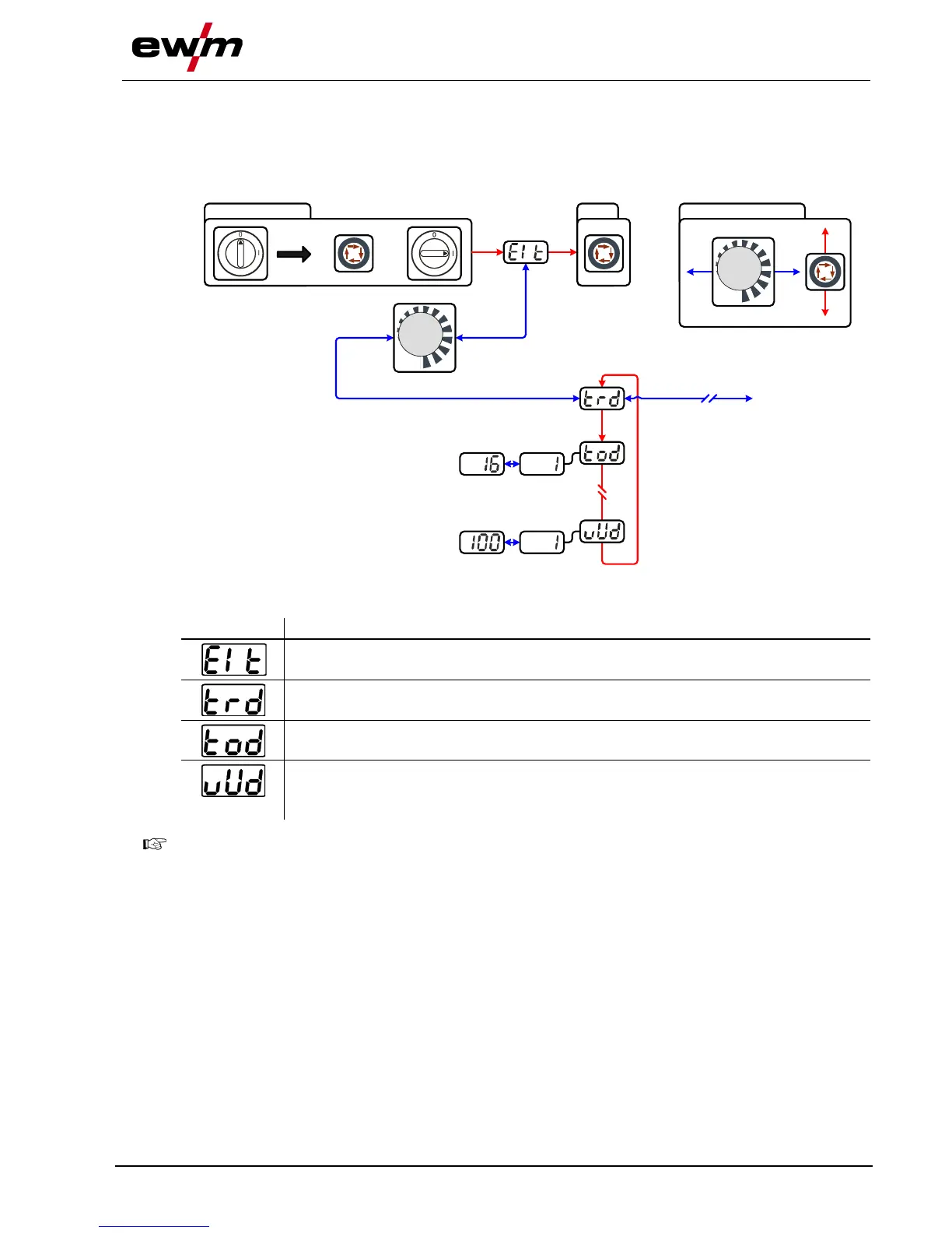
5.13.16 Torch mode and up/down speed setting
The user has the modes 1 to 6 and modes 11 to 16 available. Modes 11 to 16 include the same function
options as 1 to 6, but without tapping function for the secondary current.
The function options in the individual modes can be found in the tables for the corresponding torch types.
The welding process can of course be switched on and off in all modes using torch trigger 1 (TT 1).
ENTER
+
EXIT NAVIGATION
l
0
Figure 5-42
Display
Setting/selection
Exit the menu
Exit
Torch configuration menu
Set welding torch functions
Torch mode (factory setting 1)
Up-/Down speed
Increase value = rapid current change (factory setting 10)
Reduce value = slow current change
Only the modes listed are suitable for the corresponding torch types.

Table of Contents

Related product manuals