EasyManua.ls Logo

EWM Tetrix 351 - Design and Function - TIG Synergic Operating Principle (Continued); Welding Current Display Options (Percentage vs. Absolute)

EWM Tetrix 351
138 pages
Print Icon
To Next Page IconTo Next Page
To Next Page IconTo Next Page
To Previous Page IconTo Previous Page
To Previous Page IconTo Previous Page
Loading...
Design and function
TIG Synergic operating principle
64
099-000115-EW501
17.06.2015
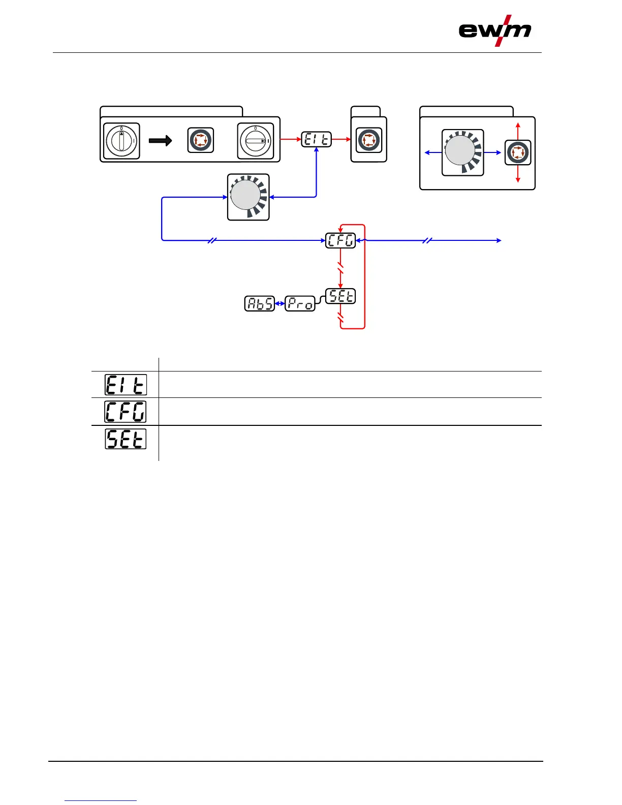
5.13.5.1 Welding current display (ignition, secondary, end and hotstart currents)
The welding currents for secondary current, ignition current and end current (expert menu) can be
displayed as percentages (factory setting) or absolute values on the machine display.
ENTER
+
EXIT NAVIGATION
l
0
Figure 5-25
Display
Setting/selection
Exit the menu
Exit
Machine configuration
Settings for machine functions and parameter display
Welding current display (ignition, secondary, end and hotstart currents)
Pro = welding current display as a percentage of the main current (factory setting)
Abs = absolute welding current display

Table of Contents

Related product manuals