EasyManua.ls Logo

EWM Tetrix 351 - Design and Function - Welding Current Lead Installation; Proper Routing and Layout of Welding Current Leads

EWM Tetrix 351
138 pages
Print Icon
To Next Page IconTo Next Page
To Next Page IconTo Next Page
To Previous Page IconTo Previous Page
To Previous Page IconTo Previous Page
Loading...
Design and function
Notes on the installation of welding current leads
34
099-000115-EW501
17.06.2015
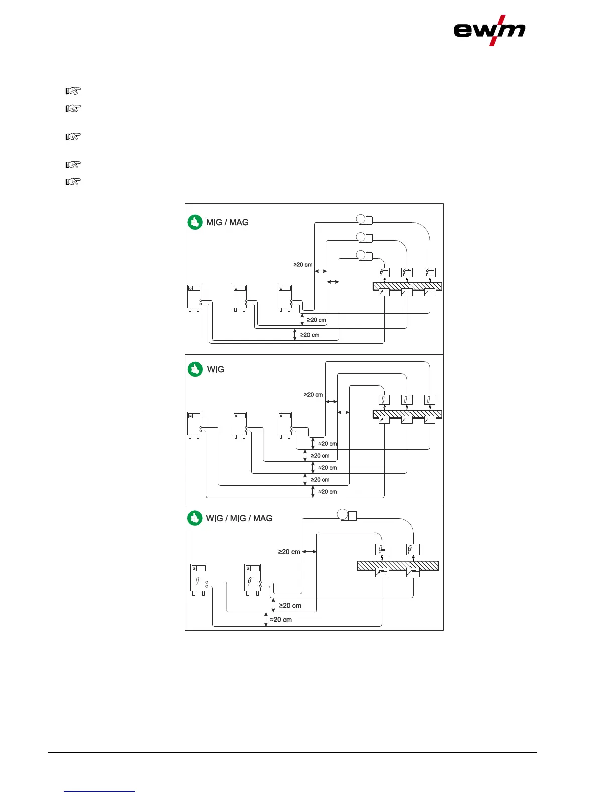
5.4 Notes on the installation of welding current leads
Incorrectly installed welding current leads can cause faults in the arc (flickering).
Lay the workpiece lead and hose package of power sources without HF igniter (MIG/MAG) for as
long and as close as possible in parallel.
Lay the workpiece lead and hose package of power sources with HF igniter (TIG) for as long as
possible in parallel with a distance of 20 cm to avoid HF sparkover.
Always keep a distance of at least 20 cm to leads of other power sources to avoid interferences
Always keep leads as short as possible! For optimum welding results max. 30 m (welding lead +
intermediate hose package + torch lead).
Figure 5-1

Table of Contents

Related product manuals