EasyManua.ls Logo

Festo EMCS-ST - Page 73

Festo EMCS-ST
114 pages
Print Icon
To Next Page IconTo Next Page
To Next Page IconTo Next Page
To Previous Page IconTo Previous Page
To Previous Page IconTo Previous Page
Loading...
Festo — EMCS-ST — 2021-03b
Drive system
73
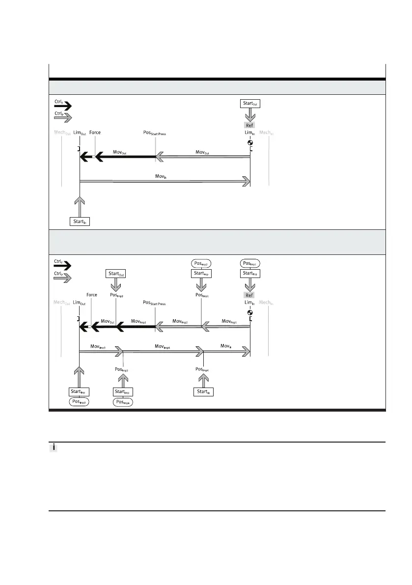
"Point-to-point operation with press function" sequence
Point-to-point operation with press function
Point-to-point operation with press function and intermediate position (IO-Link only, from firmware
version v19.0.4.107_release)
Tab. 35: "Point-to-point operation with press function" sequence
10.3.4.2
Parameter
Value range correction for intermediate position or Start Press Position
When saving the "End position Lim
Out
" (0x0105.0), the "Pos
Imp
(0x0108.0) and Start Press Position
Pos
Start Press
intermediate position (0x0105.0)" setpoint values are checked for value validity. If the >
"Lim
Out
end position" value is exceeded, the values are automatically set to the parameterised "End
position Lim
Out
" setpoint value.

Table of Contents

Related product manuals