EasyManua.ls Logo

Gent System 800 - Common Fire Output

Gent System 800
72 pages
Print Icon
To Next Page IconTo Next Page
To Next Page IconTo Next Page
To Previous Page IconTo Previous Page
To Previous Page IconTo Previous Page
Loading...
796688 (4188-657)_I1.2 / 02.02
15
Loop device wiring
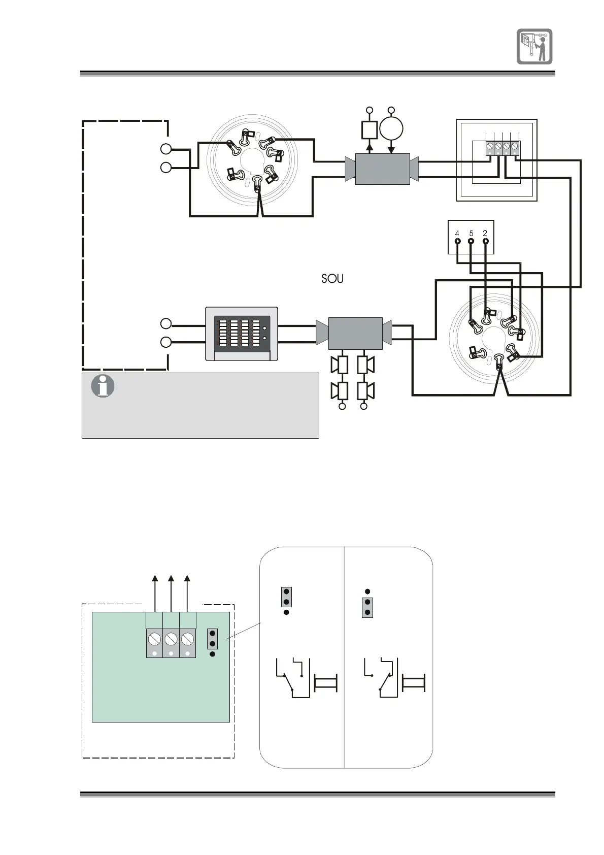
Common fire output
The system 800 panel provides a common fire output via
change over contacts rated 2A @ 30V. A fire relay
operates the change over contacts. Setting a hardware
link for normally energised or de-energised state can
configure the relay operation.
Electronic
Module
Control panel
Common fire output via
chan
g
e over contacts
rated 2A @ 30V maximum
COMMON
FIRE
NO
NC
C
P14
P12
1
2
3
NO
NC
C
Normal condition
the relay is
de-ener
ised
P12
1
2
3
P12
1
2
3
Factory
default
NO
NC
C
Normal condition
the relay is
ener
g
ised
1
7
6
5
4
3
2
$''5(66$%/(%$6(
ZLWK/('PRGXOHFRQQHFWHG
1
7
6
5
4
3
2
$''5(66$%/(%$6(
/('
PRGXOH
Loop
Circuit
L1
0V
L2
0V
0&3
IN OU T
+UL
-UL
+UL
-UL
+UL
-IN
+UL
-OUT
+UL
-IN
+UL
-OUT

6281'(5
&21752/
75$16321'(5
=21$/
5(3($7
75$16321'(5
&21752/
3$1(/
+UL
-IN
+UL
-OUT
6LQJOH
,QSXW2XWSXW
7UDQVSRQGHU
,IWKHODVWGHYLFHLVDGHWHFWRUEDVH
WKHQLWVQXPEHUWHUPLQDOPXVWEH
ZLUHFRQQHFWHGWR9RI(QGRQ
WKHFRQWUROSDQHO

Table of Contents