EasyManua.ls Logo

Haulotte HTT13 - Page 38

Haulotte HTT13
110 pages
Print Icon
To Next Page IconTo Next Page
To Next Page IconTo Next Page
To Previous Page IconTo Previous Page
To Previous Page IconTo Previous Page
Loading...
38 4000670450 E 04.19 USA / GB
3632T - HTT13
B
- Familiarization
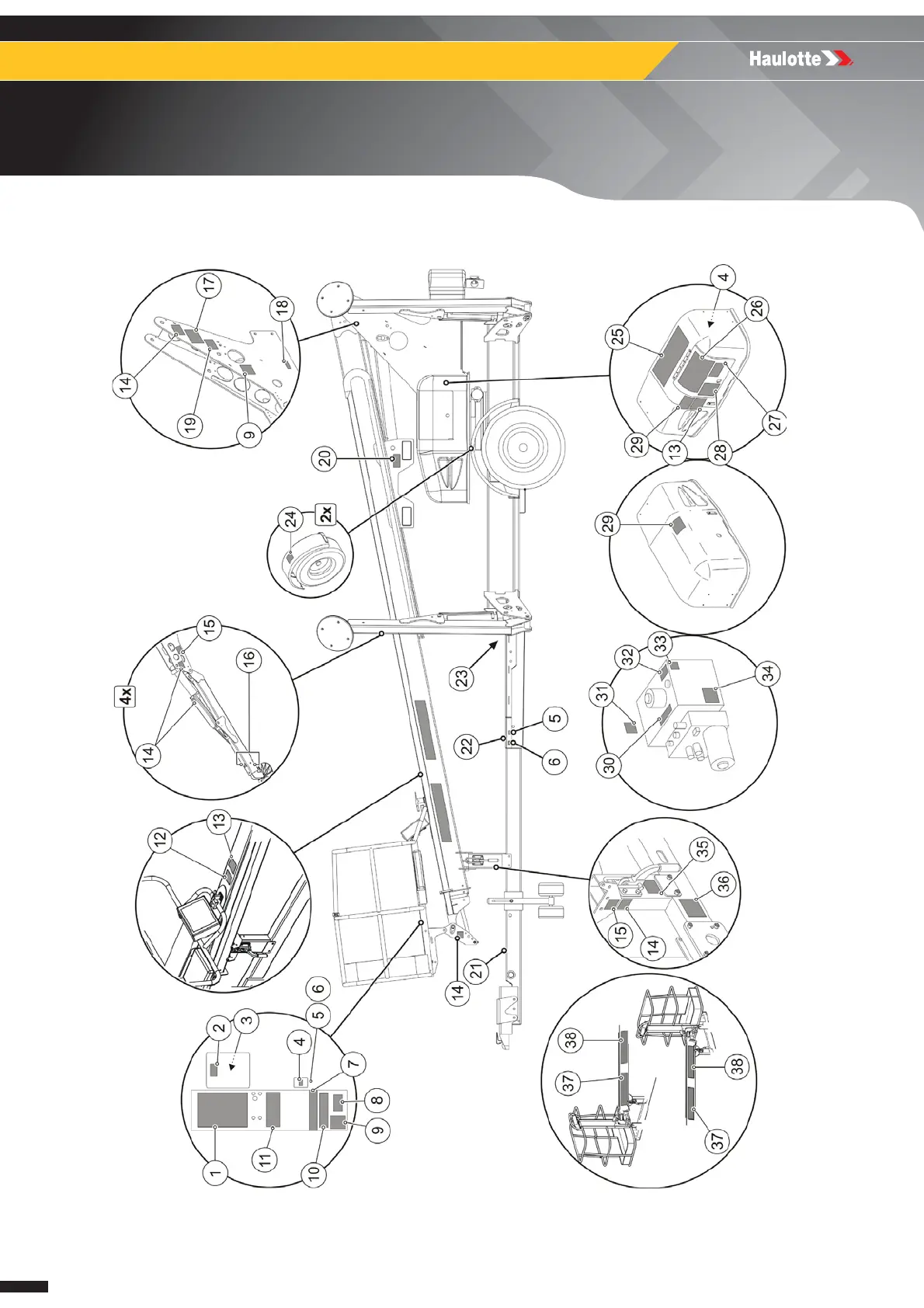
Decal placement - Decal kit - ANSI/CSA/AS - 3632T - HTT13 -
Used on machines with serial numbers prior to 36T18-00015 only

Table of Contents

Other manuals for Haulotte HTT13

Related product manuals