EasyManua.ls Logo

Hiwin D2 - Page 51

Hiwin D2
302 pages
Print Icon
To Next Page IconTo Next Page
To Next Page IconTo Next Page
To Previous Page IconTo Previous Page
To Previous Page IconTo Previous Page
Loading...
D2 Drive User Guide v1.8 4. Wiring
HIWIN Mikrosystem Corp. 45
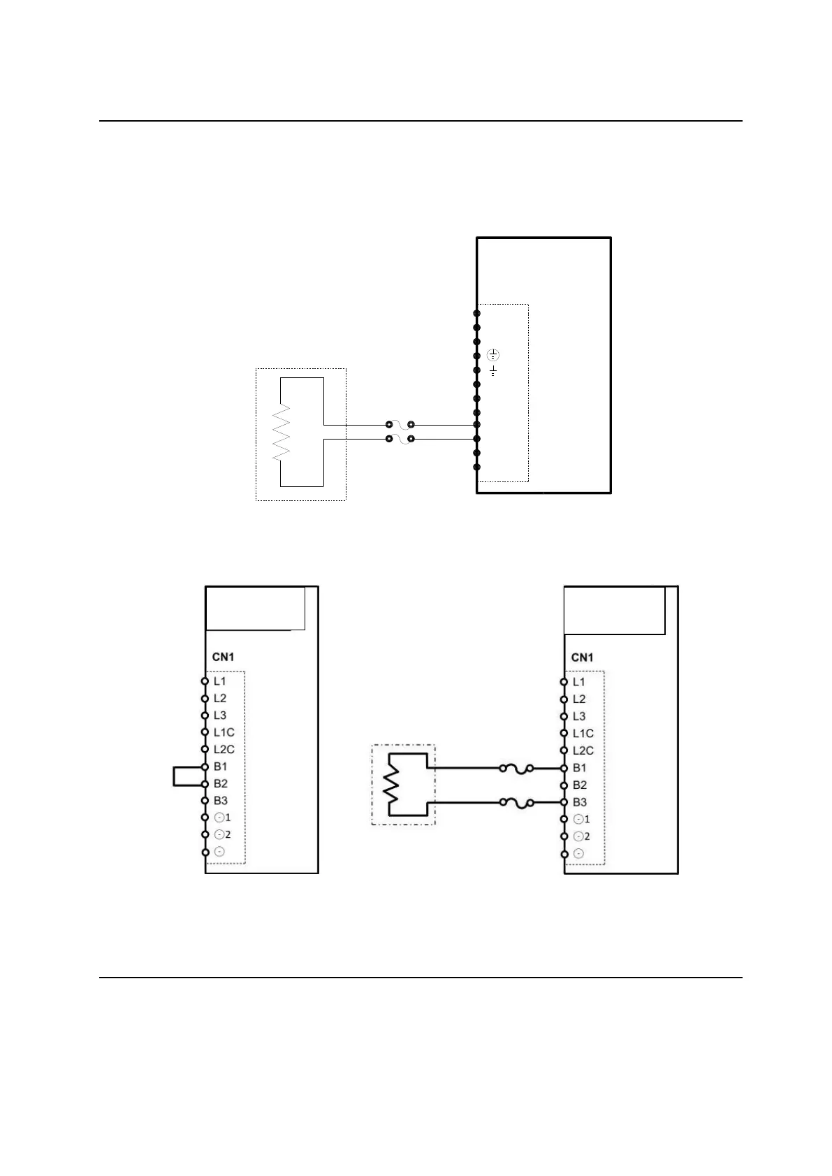
4.1.2.3. Regenerative resistor wiring
The regenerative resistor is optional. However, the frame D model has one internal
regenerative resistor (13 Ω/100 W). Install it according to the actual application.
(1) Frame A-C
Fig. 4-8
(2) Frame D
Fig. 4-9
4.1.2.4. DC reactor wiring
The DC reactor is optional. Its main function is to improve the input power factor and suppress
the harmonic current. Only the frame D model supports this feature. Install it according to the
actual application.
Fuse
Regenerative
resistor case
mega-fabs
D2 Series drive
CN1
L1
L2
L3
U
V
W
REG-
REG+
L1C
L2C
(a) Using internal regenerative
resistor (13 Ω/100 W)
(b) Using external regenerative resistor
Fuse
D2T 2KW
series drive
Regenerative
resistor case
D2T 2KW
series drive

Table of Contents

Related product manuals