EasyManua.ls Logo

HP 54710A - Hardware Architecture

HP 54710A
412 pages
Print Icon
To Next Page IconTo Next Page
To Next Page IconTo Next Page
To Previous Page IconTo Previous Page
To Previous Page IconTo Previous Page
Loading...
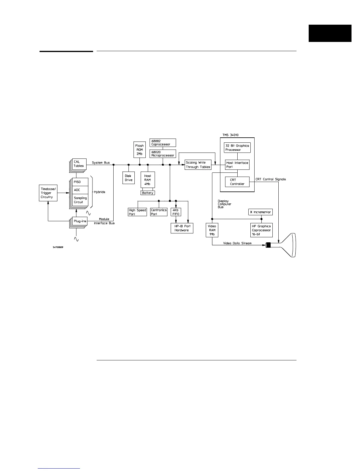
Hardware Architecture
This is a high-level look at the internal hardware of the oscilloscope. You will
find a complete block diagram of the oscilloscope in the Service Guide that is
supplied with the oscilloscope.
Figure 1-1 is a functional block diagram of the hardware in the oscilloscope.
Figure 1-1
How the Oscilloscope Works
Hardware Architecture
1–3

Table of Contents

Related product manuals