EasyManua.ls Logo

Huawei FusionModule800 - Installing a Dehumidifier

Huawei FusionModule800
298 pages
Print Icon
To Next Page IconTo Next Page
To Next Page IconTo Next Page
To Previous Page IconTo Previous Page
To Previous Page IconTo Previous Page
Loading...
FusionModule800 Smart Small Data Center
Installation Guide (Six Fans)
A Appendix
Copyright © Huawei Technologies Co., Ltd.
282
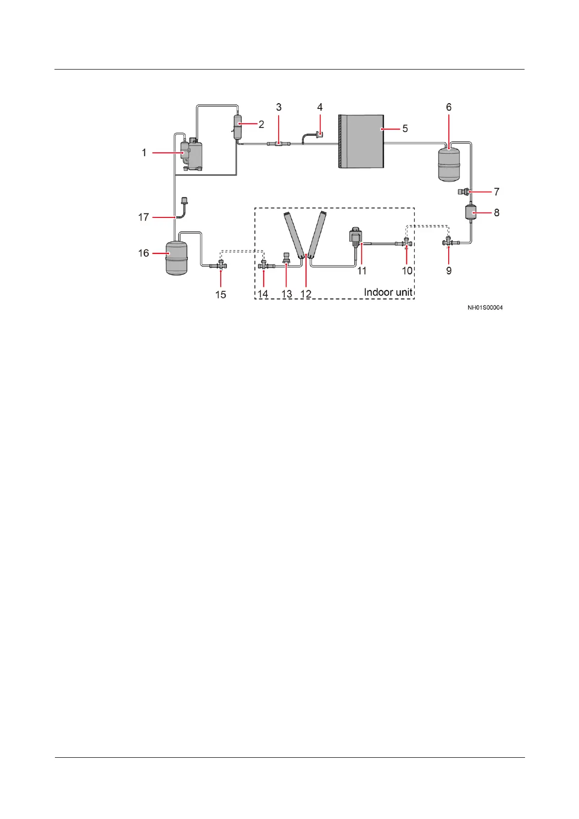
Figure A-6 Cooling system layout
(1) Compressor
(2) Oil separator
(3) Check valve
(4) High
pressure switch
(5) Condenser
(6) Liquid storage
tank
(7) High pressure
sensor
(8) Filter dryer
(9) Outdoor unit liquid
pipe stop valve
(10) Indoor unit
liquid pipe stop valve
(11) Electronic
expansion valve
(12) Evaporator
(13) Low pressure
sensor
(14) Indoor unit gas
pipe stop valve
(15) Outdoor unit gas
pipe stop valve
(16) Gas-liquid
separator
(17) Low pressure
switch
A.5 Installing a Dehumidifier
Prerequisites
The aisle containment structure and smart cooling products have been installed.
The dehumidifier, tray, floating nuts, and screws are ready.
Cable 25030384 and cord end terminal 14170096 are ready.
A three-way valve, PVC pipe (at least 200 mm long), female adapter, and male plug are
ready. The specifications meet the requirements of the drainage pipe of the smart cooling
product.
AB glue, PVC glue, and sealing tape are ready.
Context
It is recommended that you install the dehumidifiers at the bottom of IT cabinets near smart
cooling products in the aisle containment. One dehumidifier is required for each module when
the load is light but humidity is high.

Table of Contents

Other manuals for Huawei FusionModule800

Related product manuals