EasyManua.ls Logo

Hyundai Elevator WBVF - How to Install OPB; OPB Connection Information

Default Icon
99 pages
Print Icon
To Next Page IconTo Next Page
To Next Page IconTo Next Page
To Previous Page IconTo Previous Page
To Previous Page IconTo Previous Page
Loading...
WBVF
A
INSTALLATION MANUAL
FOR ELECTRICAL PARTS
Doc. No
Ver.
Date
Page
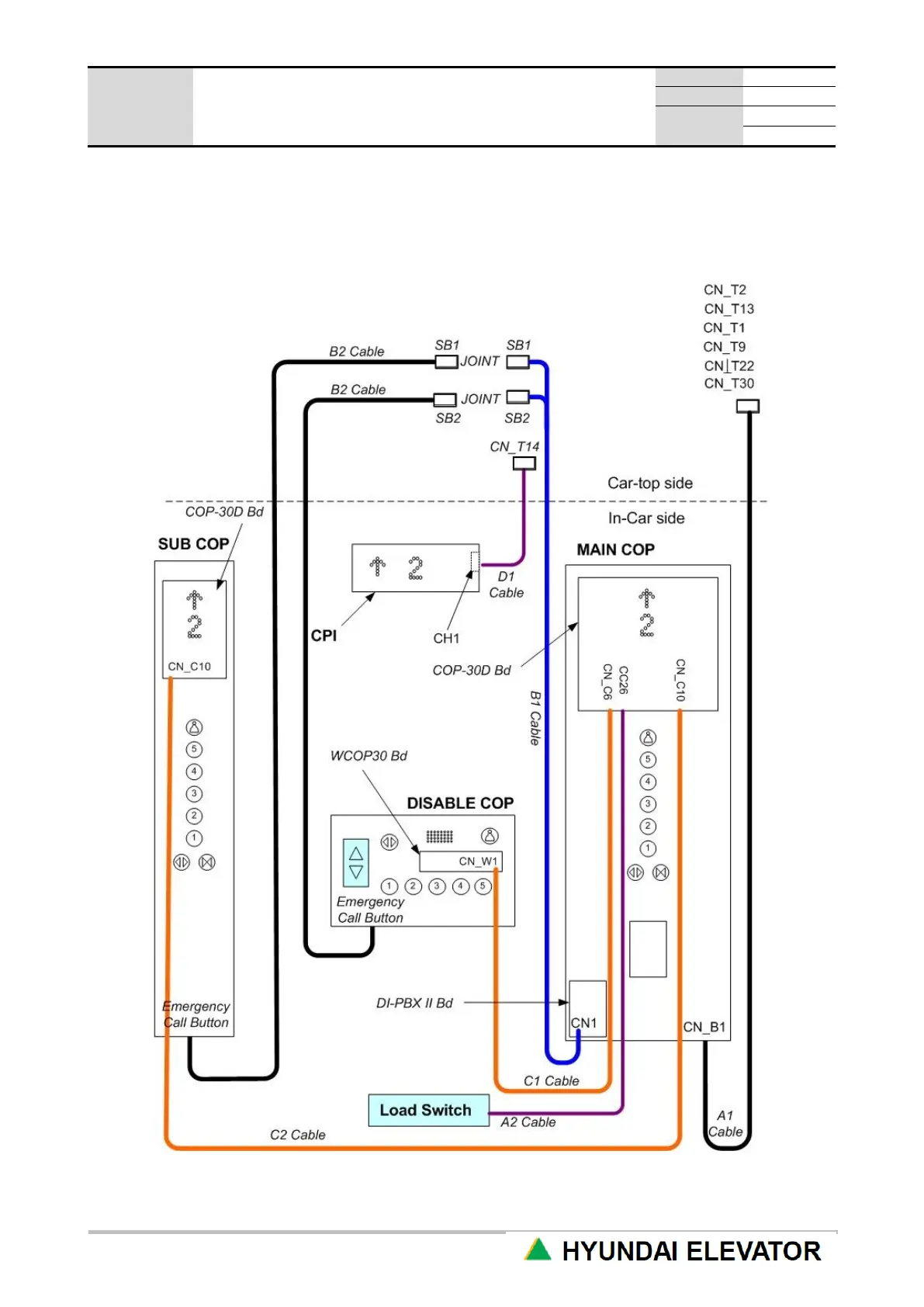
5.3 How to Install OPB
5.3.1 OPB Connection Information
1) Top Part of the CAR and OPB Main Connection Diagram

Table of Contents

Related product manuals