EasyManua.ls Logo

IRIS IRMA MATRIX 2 - Page 78

IRIS IRMA MATRIX 2
84 pages
Print Icon
To Next Page IconTo Next Page
To Next Page IconTo Next Page
To Previous Page IconTo Previous Page
To Previous Page IconTo Previous Page
Loading...
Exterior
Interior
00
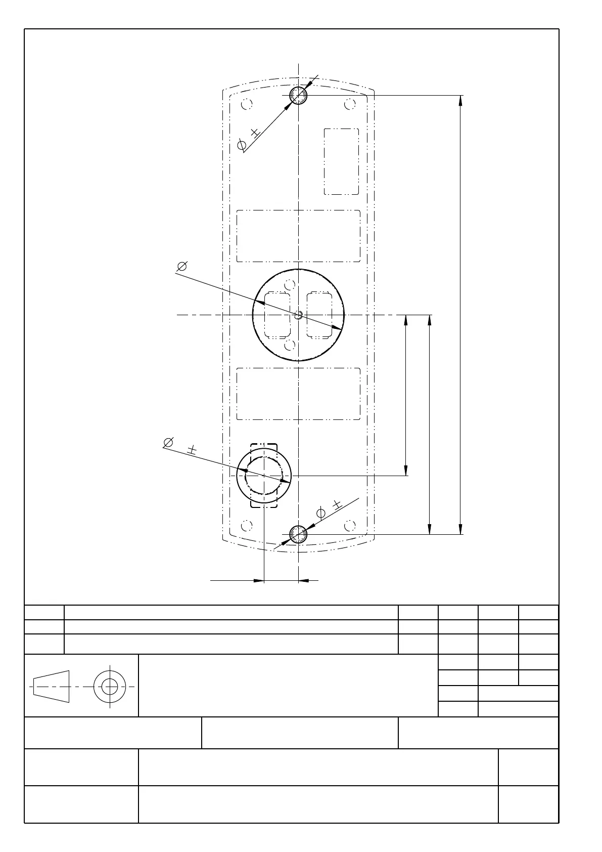
BB_DIST500-A-DC
DIN ISO 2768 mK
DIN ISO 13715
1:1
iris-GmbH
infrared & intelligent sensors
www.irisgmbh.de
1 / 4
JP
05.12.14
Index
Drawing-No.
free size tolerances
edge of workspace
Scale A4-Format
Discription
Drilling template IRMA MATRIX, Surface mount with door contact
mm (inch)
Surface
Material
Production status
iris-
Part-No.
Page
Creator
NameDate
ApprovedEditorDateDescription of changeIndex
Unit
We reserve all rights in this document and in the information contained therein. Reproduction, use or disclosure to third parties without express authority is strictly prohibited.
6
0.3
32
+1
19
0.5
6
0.3
12±0.5
56±0.5
76.5±0.5
153±0.8

Table of Contents

Related product manuals