EasyManua.ls Logo

JLG E450A - Steer Valve Component

JLG E450A
480 pages
Print Icon
To Next Page IconTo Next Page
To Next Page IconTo Next Page
To Previous Page IconTo Previous Page
To Previous Page IconTo Previous Page
Loading...
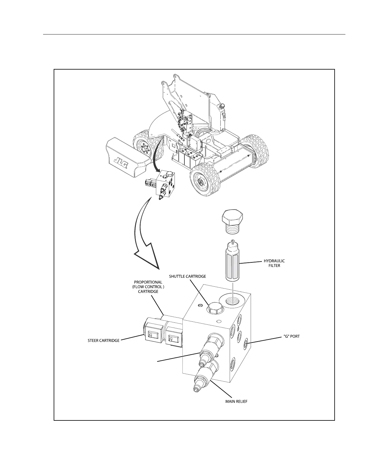
SECTION 5 - BASIC HYDRAULIC INFORMATION & SCHEMATICS
3121714 5-135
STEER RELIEF
Figure 5-149. Steer Valve Component

Table of Contents

Other manuals for JLG E450A

Related product manuals