EasyManua.ls Logo

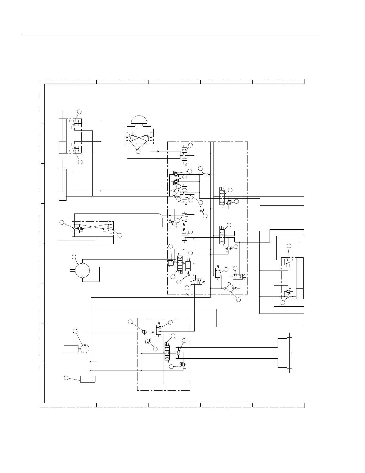
JLG E450A - Hydraulic Schematic (SN 0300233452 to Present, SN B300002533 to Present) - Sheet 1 of 7

JLG E450A
480 pages
Print Icon
To Next Page IconTo Next Page
To Next Page IconTo Next Page
To Previous Page IconTo Previous Page
To Previous Page IconTo Previous Page
Loading...
SECTION 5 - BASIC HYDRAULIC INFORMATION & SCHEMATICS
5-152 3121714
45678
G
H
E
F
C
D
A
B
87654
.031"
21
B2
B1
MAIN VALVE ASSY
LR
LC
T1
40
37
PLAT LEVEL
P
V
E
R
XXX
36
SWING MOTOR
35
42
22
23
34
24
32
31
10
15
14
17
18
9
13
8
16
7
6
5
1
20
19
2
11
3
12
4
P
V
NOTE:
TELESCOPE CIR. IS A REGENERATIVE
CIR. IN EXTEND ONLY
43
STEER VALVE
G
33
39
TC
TR
TELE IN
TELE OUT
S1
S2
PB
P
T1
ROTATOR
41
L
T2
G
R
P
SWING
S1
S2
LOWER LIFT
UPPER LIFT
R1
R2
ROTATOR
49
P1
P2
.015
.015
E450A, E400A NARROW
PLATFORM
SLAVE CYL
BORE: 2" 3.14 SQ IN
ROD 1" .785 SQ IN
ANNULUS 2.35 SQ IN
E450A, E400A NARROW
MASTER CYLINDER
BORE: 2" 3.14 SQ IN
ROD 1" .785 SQ IN
ANNULUS 2.35 SQ IN
E450A, E400A NARROW
TELSCOPE CYL
BORE: 2" 3.14 SQ IN
ROD 1.25" 1.22 SQ IN
ANNULUS 1.92 SQ IN
48
ELECTRIC
MOTOR
P
P
V
V
29
26
LOWER CYL
LOWER LIFT UP
LU
LL
SHEET 1
Figure 5-164. Hydraulic Schematic (SN 0300233452 to Present, SN B300002533 to Present) - Sheet 1 of 7

Table of Contents

Other manuals for JLG E450A

Related product manuals