EasyManua.ls Logo

JLG E600 - Jib Lift Cylinder

JLG E600
222 pages
Print Icon
To Next Page IconTo Next Page
To Next Page IconTo Next Page
To Previous Page IconTo Previous Page
To Previous Page IconTo Previous Page
Loading...
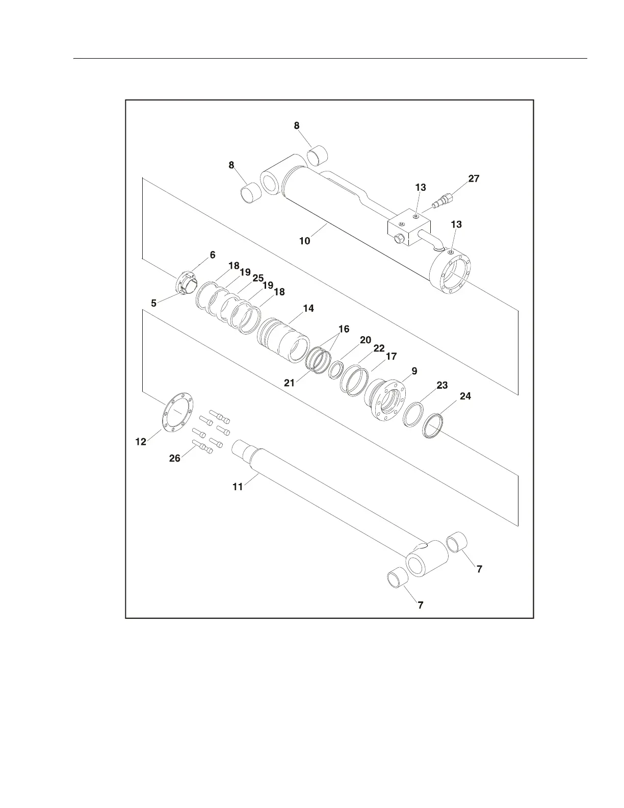
SECTION 5 - HYDRAULICS
3121813 – JLG Lift – 5-7
1. Loctite #242 (Not Shown)
2. Not Used
3. Locking Primer (Not Shown)
4. Loctite #RC609 (Not Shown)
5. Bolt
6. Tapered Bushing
7. Bushing
8. Bushing
9. Head
10. Barrel
11. Rod
12. Washer Ring
13. O-ring Plug
14. Piston
15. Not Used
16. Backup Ring
17. Backup Ring
18. Seal
19. Wear Ring
20. Wear Ring
21. O-ring
22. O-ring
23. Seal
24. Wiper
25. T-Seal
26. Bolt
27. Counterbalance Valve
Figure 5-5. Jib Lift Cylinder

Table of Contents

Other manuals for JLG E600

Related product manuals