EasyManua.ls Logo

JRC NWZ-4610 - Page 88

JRC NWZ-4610
120 pages
To Next Page IconTo Next Page
To Next Page IconTo Next Page
To Previous Page IconTo Previous Page
To Previous Page IconTo Previous Page
Loading...
6-12
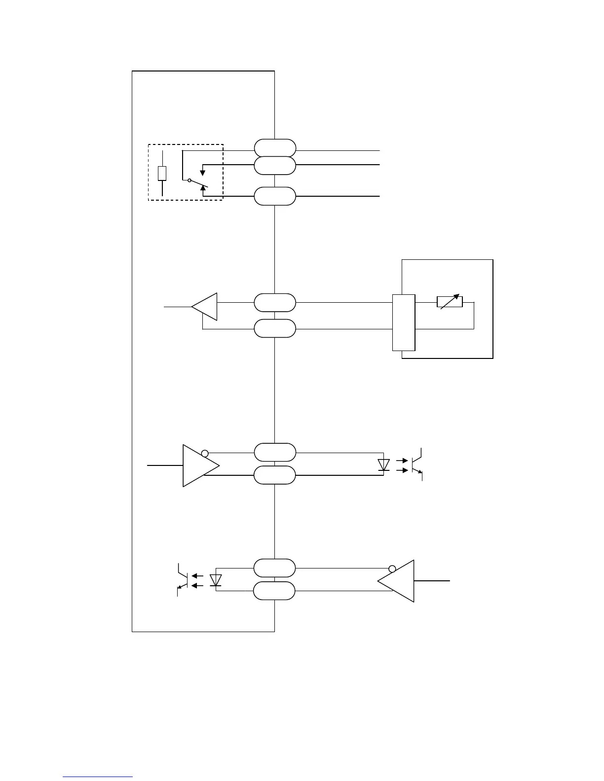
[Input/Output Circuit]
NCM-227
Dimmer Unit
NWZ-4610 Display Unit
IEC61162-1 (NMEA)
SD-B
SD-A
SD-B
SD-A
Input Setting
Output Setting
Relay
Contact maximum 30 VDC/1.0 A
COM
NO
NC
IEC61162-1 (NMEA)
Input
Output
[Serial Transmission]
[Contact Output]
[Contact Input/Analog Input]
IN+
IN-
1
2
3
4
or Contact Connection
3: Orange
4: Yellow
5: Green
6: Blue
7: Purple

Table of Contents

Other manuals for JRC NWZ-4610

Related product manuals