EasyManua.ls Logo

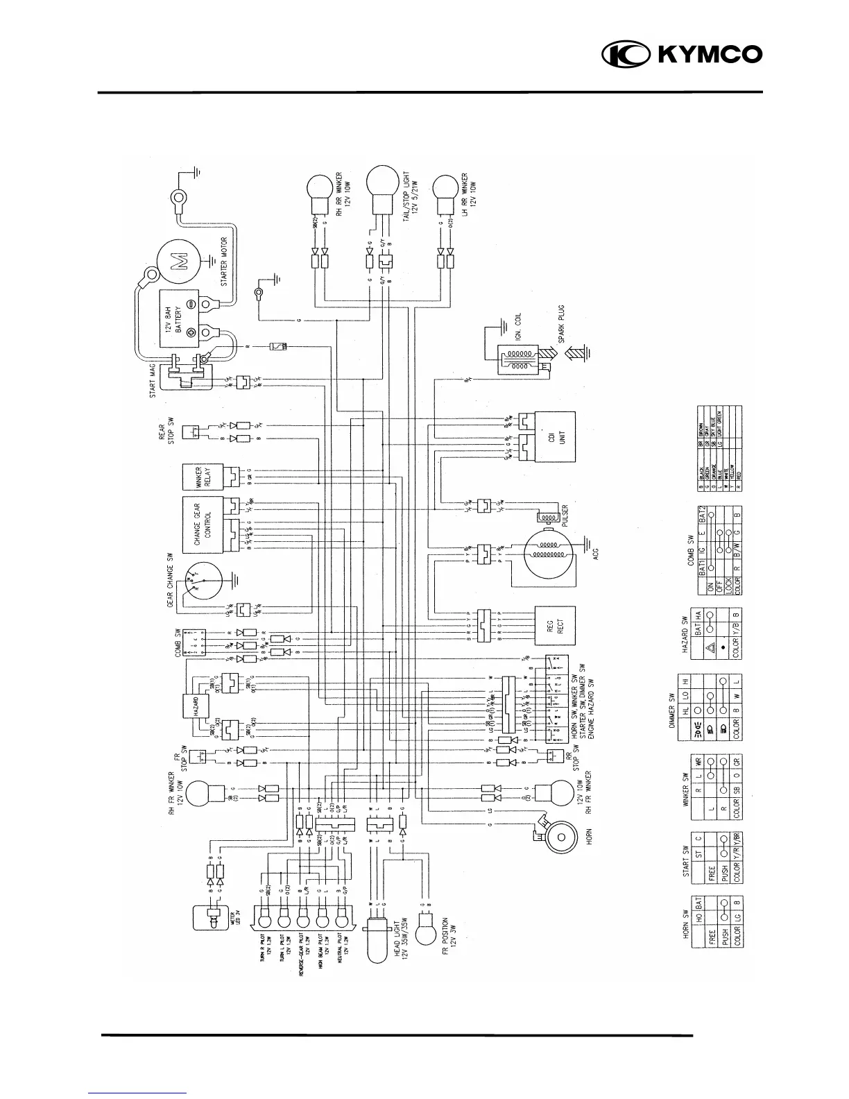
KYMCO MX 125 - Wiring Diagram

KYMCO MX 125
181 pages
Print Icon
To Next Page IconTo Next Page
To Next Page IconTo Next Page
To Previous Page IconTo Previous Page
To Previous Page IconTo Previous Page
Loading...
1. GENERAL INFORMATION
1-22
MX’er SYSTEM
WIRING DIAGRAM

Table of Contents

Related product manuals