EasyManua.ls Logo

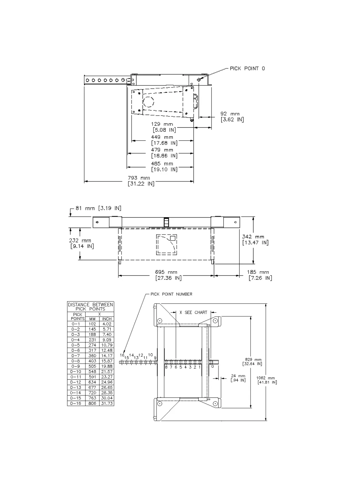
L-Acoustics dV-SUB - Figure 91: DV-BUMP - Line Drawing

L-Acoustics dV-SUB
150 pages
Print Icon
To Next Page IconTo Next Page
To Next Page IconTo Next Page
To Previous Page IconTo Previous Page
To Previous Page IconTo Previous Page
Loading...
dV-DOSC dV-SUB Manual V3.0 June 2005 141
dV-BUMP
Net Weight: 22.5 kg without extension bar (49.6 lbs)
32.0 kg with extension bar (70.5 lbs)
Figure 91: dV-BUMP – Line Drawing

Table of Contents

Related product manuals