EasyManua.ls Logo

Learjet 35 - Page 243

Learjet 35
482 pages
Print Icon
To Next Page IconTo Next Page
To Next Page IconTo Next Page
To Previous Page IconTo Previous Page
To Previous Page IconTo Previous Page
Loading...
Leerjet 35/36 Developed for Training Purposes 4A-3
February 2007
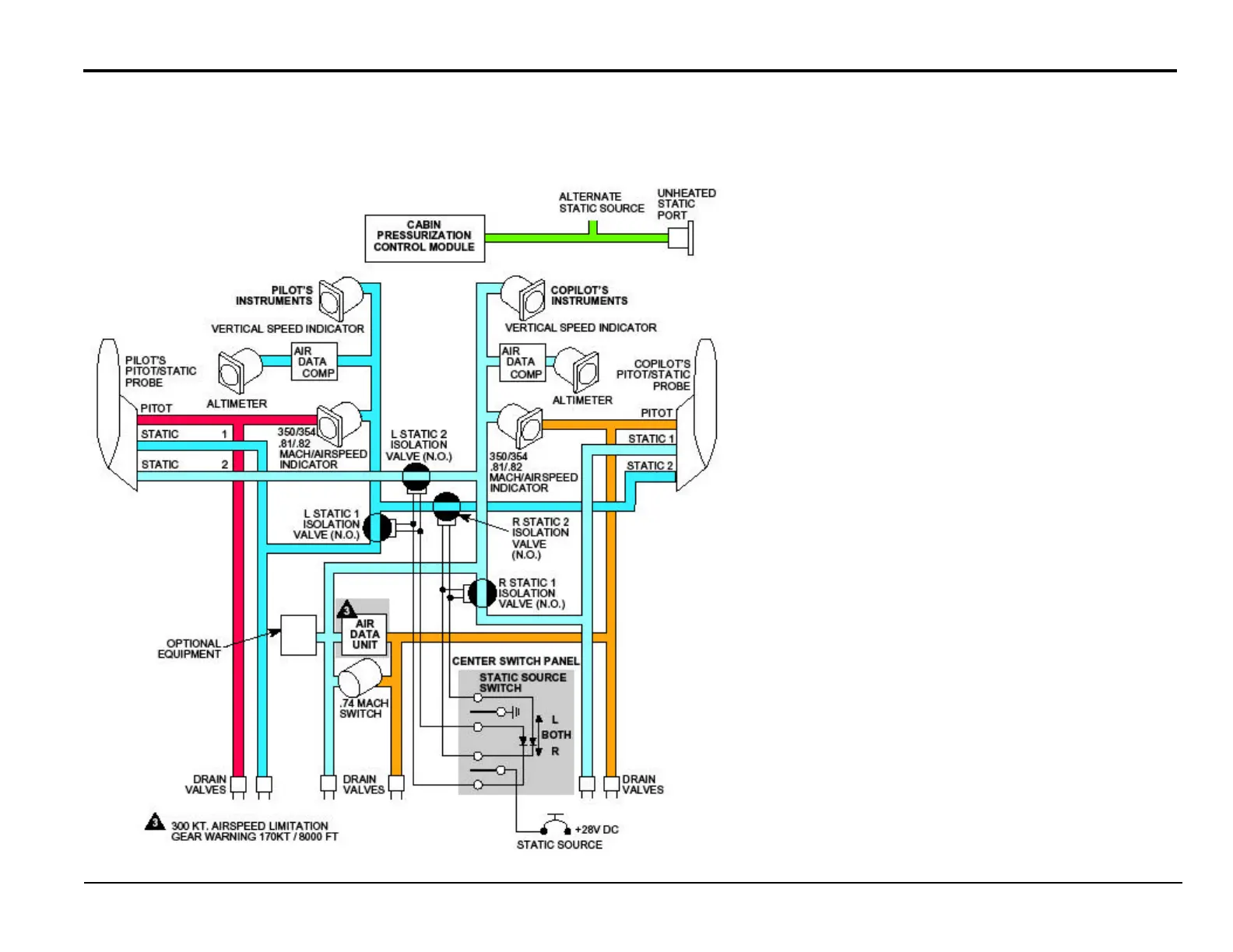
Avionics
Pitot/Static System
(Typical RVSM)

Table of Contents

Related product manuals