EasyManua.ls Logo

Learjet 35 - Page 263

Learjet 35
482 pages
Print Icon
To Next Page IconTo Next Page
To Next Page IconTo Next Page
To Previous Page IconTo Previous Page
To Previous Page IconTo Previous Page
Loading...
Leerjet 35/36 Developed for Training Purposes 4B-7
February 1998
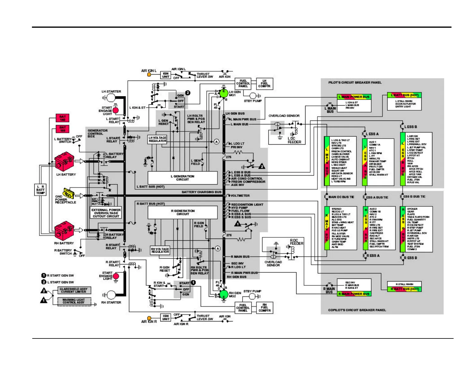
Electrical System
DC Electrical System
S/Ns 35-370, 390 to 508;
36-048 to 053

Table of Contents

Related product manuals