EasyManua.ls Logo

Learjet 35 - Page 265

Learjet 35
482 pages
Print Icon
To Next Page IconTo Next Page
To Next Page IconTo Next Page
To Previous Page IconTo Previous Page
To Previous Page IconTo Previous Page
Loading...
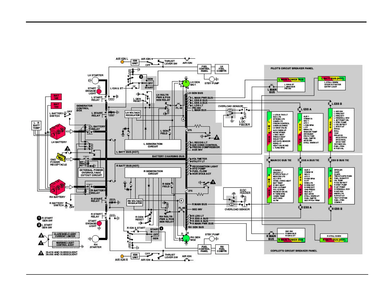
Leerjet 35/36 Developed for Training Purposes 4B-9
February 1998
Electrical System
DC Electrical System
S/Ns 35-509 and subsequent;
36-054 and subsequent; prior aircraft with AMK 85-1

Table of Contents

Related product manuals