EasyManua.ls Logo

Learjet 35 - Page 277

Learjet 35
482 pages
Print Icon
To Next Page IconTo Next Page
To Next Page IconTo Next Page
To Previous Page IconTo Previous Page
To Previous Page IconTo Previous Page
Loading...
Leerjet 35/36 Developed for Training Purposes 4C-1
February 1998
E
n
v
i
r
o
n
m
e
n
t
a
l
S
y
s
t
e
m
s
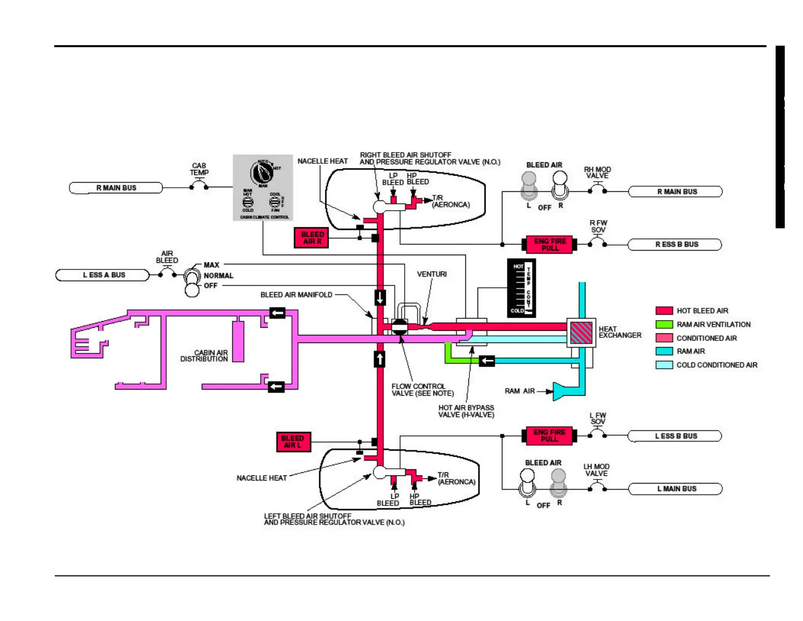
450 Pneumatic System
S/Ns 35-002 to 35-106; 35-108 to 35-112;
36-002 to 36-031 without AMK 76-7

Table of Contents

Related product manuals